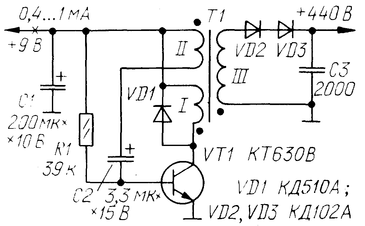
Устройство представляет собой слаботочный преобразователь напряжения для питания газоразрядного счетчика Гейгера — Мюллера от де-вятивольтовой батареи элементов (например, «Крона») или аккумуляторов (7Д-0,1). Преобразователь собран по схеме блокинг-генератора с дополнительной повышающей обмоткой. Импульсы с этой обмотки, заряжая через диоды VD2 и VD3 конденсатор СЗ, образуют микромощный источник напряжением до 440 В.

Магнитопровод трансформатора Т1 изготавливают из двух колец типоразмера 16х10х4,5 мм из феррита 3000НМ. Кольца склеивают, углы закругляют наждачной бумагой и весь магнитопровод покрывают слоем изоляции (лакоткань, пластик и т. п.). Первой наматывают обмотку III —420 витков провода ПЭВ-2 007. Ее наматывают внавал, стараясь заполнить магнитопровод равномерно, за один его оборот. Поверх обмотки III накладывают еще один слой изоляции. Обмотки I (8 витков) и II (3 витка) наматывают любым проводом поверх этого слоя, их также следует возможно равномернее распределить по длине магнитопровода. Особое внимание следует обратить на правильную фазировку обмоток, она должна быть выполнена до первого включения.
При таких параметрах трансформатора длительность импульсов блокинг-генератора равна примерно 10 мкс. Частота следования импульсов зависит от постоянной времени R1C2 и при указанных на схеме номиналах соответствует нескольким десяткам герц. Эту частоту можно менять, но следует иметь в виду, что ее повышение ведет к увеличению тока, потребляемого от источника, а понижение делает более вероятным уменьшение выходного напряжения при увеличении нагрузки (при большой скорости счета). Конденсатор СЗ должен быть либо слюдяным, либо керамическим на рабочее напряжение не менее 500 В.
От свежего источника преобразователь потребляет ток от 0,4 мА при малой скорости счета до 1 мА при скорости, близкой к предельной (для счетчика СБМ-20 сопротивление нагрузки — 4,7 МОм). При этом напряжение на выходе преобразователя равно 440 В, т. е. соответствует наивысшему значению для многих счетчиков (см. статью Г. Нунупарова «Газоразрядные счетчики» в «Радио», 1979, № 8, с. 59). Это обстоятельство позволяет отказаться от стабилизации питания — снижение напряжения питающего источника до 7 В практически не сказывается на работе устройства.
г. Москва Ю. ВИНОГРАДОВ
Радио № 2, 1989 г.