Регулятор повышенной мощности.

В настоящее время широкое применение находят симисторные регуляторы мощности для питания от сети нагрузок с большой тепловой инерцией — ламп накаливания, паяльников и т. д. В этих регуляторах чаще других применяю симистор из серии КУ208. Как известно, максимально допустимый токдлясимисторов серии К.У208 равен 5А. Однако в ряде практических случаев такого тока оказывается недостаточно, да и симистор до сего времени остается пока дефицитным прибором. Тринисторы серии КУ202 способны обеспечить вдвое больший ток нагрузки и более распространены, чем симисторы, но для работы на обоих полупериодах сети их необходимо включать в диагональ моста, составленного из мощных диодов. Это заметно удорожает регулятор мощности и уменьшает его КПД. К тому же для надежной работы такого регулятора необходимо, чтобы управляющие импульсы были короткими, что дополнительно усложняет усгройство.


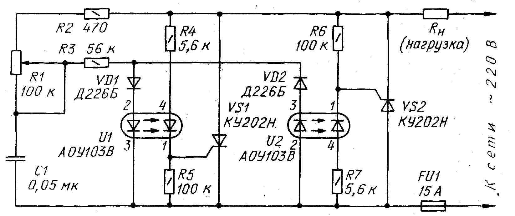
Задача может быть решена применением двух тринисторов — одного для работы на положительной полуволне питающего сетевого напряжения, а другого — на отрицательной. При этом надобность в диодном мосте отпадает (см. схему). Нет необходимости и в формировании коротких импульсов для включения тринисторов, т. к. управляющее напряжение, получаемое из сетевого без выпрямления, представляет собой не последовательность положительных (относительно катода) полуволн, а переменное напряжение, где положительные полуволны чередуются с отрицательными. Цепь R2R1C1 — фазосдвигающая. Поскольку Тринисторы VS1 и VS2 включены встречно-параллельно, их управляющие переходы гальванически развязаны опгронами U1 и U2. В регуляторе можно использовать Тринисторы КУ202 с индексами К^ Л, М, Н. Оптроны желательно применять с индексом В, но как показала практика, нормально работают и оптроны с индексом Б.

Л. ВИНОКУРОВ г. Самара

РАДИО № 12, 1993 г.

Назад