
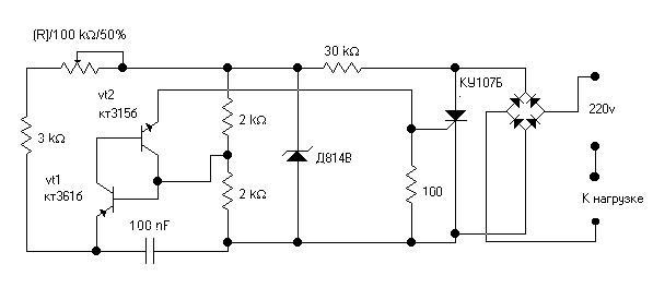
Как работает. Через мостовую схему на диодах ток идет на резистор 30 кОм затем напряжение опустится до напряжения стабилитрона Д814В можно применить любой на 9…12 вольт, дальше напряжение поступает на переменный резистор 100 кОм и 2 кОм первый соединяется 3 кОм и конденсатором 100 nf на этой цепочке образуется на время задерживающая сигнал периудов тока , который подается на эмиттер КТ361б при достижении напряжения более напряжения двух резисторов по 2 кОм транзистор начинает открываться при этом начинает открывать следующий транзистор и тогда ток поступает на тиристор КУ107Б и он открывается . При регулировки переменным резистором регулируется яркость лампы или температура паяльника. Диодную сборку можно применить любую на напряжение не менее 300 вольт и ток в зависимости от нагрузки например (КЦ405А - 400 В, 1 А) или диоды соединенные по мостовой схеме. Тиристор можно заменить на КУ208Г или другой 300 В и ток мощнее диодов раза в два подберите на радио рынке сами вам подскажут. Еще надо чтобы резистор 30 кОм был 2 Вт.