Тиристорные схемы управления.

Наиболее широкое распространение получили устройства коммутации цепей переменного тока, с использованием тиристоров. Они обеспечивают высокий КПД, достаточное быстродействие и высокую надежность. На Рис. 4.1.1 - Рис. 4.1.6 приведены варианты схем двухполупериодных статических переключателей переменного тока.В схеме приведенной на Рис. 4.1.1 для управления тиристором, включенным в диагональ диодного моста используется, контакты электромагнитного реле, а в схеме на Рис. 4.1.2 динисторный оптрон. НаРис. 4.1.3 и Рис. 4.1.4 приведены аналогичные схемы управления с использованием двух встречно включенных тиристоров. Обойтись без диодов позволяет использование в качестве коммутирующего элемента симистора. На Рис. 4.1.7 показана схема управления симистором с помощью контактов реле, а на Рис. 4.1.8 его аналогом составленным из двух включенных встречно-параллельно тиристоров. Для управления симистором с помощью динисторного оптрона необходимо либо введение в схему дополнительного диодного моста (Рис. 4.1.5), либо установка второго оптрона (Рис. 4.1.6). Следует заметить, что схемы с использованием симисторов и включенных встречно-параллельно тиристоров не являются полностью эквивалентными. Ввиду конструктивных особенностей симистор имеет несколько неодинаковую проводивость в разных направлениях. Поэтому чтобы обеспечить симметричность пропускания сигнала, например в устройствах звуковой техники, обычно используют включенные встречно-параллельно тиристоры. Симисторы серии КУ208 при положительном напряжении на аноде могут включаться импульсами любой полярности, подаваемыми на управляющий электрод относительно катода, а при отрицательном напряжении на аноде – импульсами только отрицательной полярности.

Учитывая, что ток управления симисторами серии КУ208, при комнатной температуре может достигать 150 мА, а для надежной работы схем с оптронным управлением, этот ток недолжен превышать 70 мА, целесообразно предварительно отобрать симисторы по току спрямления. Для этого подойдет схема приведенная на Рис.2. Напряжение питания анодной цепи симистора должно соответствовать номинальному для лампы накаливания HL1, рассчитанной на рабочий ток не менее 150 мА. Ток управляющего электрода симистора измеряют, плавно увеличивая его значение резистором R1, до включения лампы.

Электронный предохранитель.

Вполне успешно выполняет функцию защитного выключателя простейшая схема, изображенная на Рис.3. Данное устройство представляет собой по существу мощный ключ, коммутируемый параллельной емкостью. При кратковременном нажатии на кнопку «Пуск» тиристор V1 открывается и подключает нагрузку к цепи источника. При нажатии кнопки «Стоп» включается тиристор V2 и предварительно заряженный конденсатор С оказывается соединенным с тиристором V1, в связи с чем этот тиристор закрывается и размыкает цепь нагрузки. Тиристор V2 может быть также открыт перепадом напряжения, возникающим на резисторе R1 при прохождении через него тока более заданной величины, т. е. эта схема является, по существу, электронным максимальным реле тока. Она выгодно отличается от механического реле за счет своего быстродействия Величина емкости конденсатора С выбирается из условий: C больше или равно1.4•tBI/E при L = 0; C больше или равно tBI/E при L не равно 0

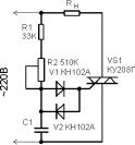
Симисторный регулятор.

На Рис.4 приведена простая практическая схема применения двухполупериодного регулятора переменного тока, выполненная на симисторе. Максимальная мощность подключаемой нагрузки при использовании указанного вида симистора может достигать 1500 Вт. Регулировка фазового угла, а значит и мощности подводимой к нагрузке осуществляется с помощью переменного резистора R2. Подобное устройство может с успехом применяться в различной бытовой технике.

 

Написать

Назад