В настоящее время в радиоэлектронной аппаратуре широко применяют транзисторы и микросхемы, открывающие большие возможности для ее миниатюризации. Однако комплексная миниатюризация невозможна без существенного снижения габаритов и массы вторичных источников питания и, в частности, сглаживающих фильтров. Уменьшить массогабаритные показатели сглаживающих фильтров можно, используя вместо громоздких фильтрующих дросселей и конденсаторов транзисторные фильтры. Преимущества транзисторных сглаживающих фильтров по сравнению с их LC-прототипами проявляются особенно при работе в условиях пониженной температуры окружающей среды, когда емкость фильтрующих конденсаторов уменьшается, а также при частоте питающей сети 50 Гц. Однако, имея выигрыш перед LC-фильтрами по указанным показателям (в 2...9 раз), транзисторные сглаживающие фильтры уступают им в коэффициенте полезного действия (КПД). Если на дросселе индуктивно-емкостного фильтра падает напряжение 1...2 В, то в транзисторном фильтре на регулирующем транзисторе - до 3...5 В. Рассмотрим несколько известных вариантов транзисторных сглаживающих фильтров.

рис. 1.
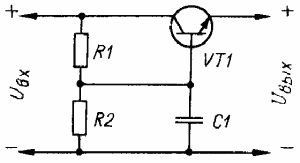
На рис. 1 представлена схема наиболее простого транзисторного фильтра. Принцип его работы заключается в следующем. На коллектор транзистора VT1 поступает напряжение с большой амплитудой пульсации, а цепь базы питается через интегрирующую цепь R1C1, которая сглаживает пульсации напряжения на базе. Сопротивление резистора R1 выбирают из условия достаточности тока базы для обеспечения заданного тока в нагрузке. Чем больше постоянная времени T=R1C1, тем меньше пульсации напряжения на базе. Так как устройство представляет собой эмиттерный повторитель, то на выходе фильтра пульсации будут столь же малыми, как и на базе. Емкость конденсатора С1 может быть в несколько раз меньше, чем у конденсатора в LC-фильтре, так как базовый ток намного меньше выходного тока фильтра (коллекторного тока транзистора) - примерно в h21э раз.

рис. 2.
Преимущество этого фильтра - в простоте. К недостаткам следует отнести, во-первых, противоречивые требования к значению сопротивления резистора R1 (для уменьшения пульсации на выходе фильтра следует увеличивать сопротивление, а для повышения КПД фильтра-уменьшать), во-вторых, сильная зависимость параметров фильтра от температуры, времени, значения тока нагрузки, статического коэффициента передачи тока базы транзистора. В таких фильтрах обычно резистор R1 подбирают опытным путем. На рис. 2 представлена схема фильтра, у которого пульсации выходного напряжения меньше, так как он позволяет увеличить сопротивление резистора R1. Такая возможность обусловлена тем, что цепь базы здесь питается от отдельного источника питания с напряжением Uб, большим, чем у основного источника (Uвх). Мощность, выделяющаяся на резисторе R1, незначительна, поскольку ток базы мал. Однако, наряду с положительным эффектом уменьшения пульсации, этому фильтру присущи те же недостатки, что и выполненному по схеме на рис.1. Кроме того, в этом фильтре транзистор может войти в режим насыщения и тогда пульсации со входа будут без какого бы то ни было ограничения переданы на выход фильтра. Насыщение транзистора наступит тогда, когда по каким-либо причинам напряжение на базе превысит напряжение на коллекторе. На рис. 3 представлена схема фильтра, позволяющего избежать зависимости выходных параметров от температуры, времени, нагрузки и коэффициента h21э транзистора. Ток через делитель R1R2 выбирают в 5…10 раз большим, чем ток, ответвляющийся в базу. Поэтому выходное напряжение фильтра будет определяться распределением входного напряжения на делителе.

рис. 3.
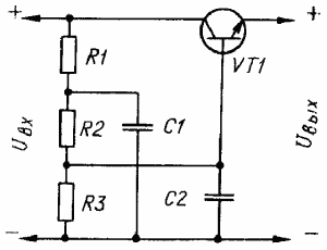
Недостатки фильтра: меньший КПД по сравнению с собранными по схемам на рис.1 и 2, необходимость увеличения емкости конденсатора С1 для получения того же уровня пульсации на выходе, что и у предыдущих фильтров. Для улучшения его фильтрующих свойств применяют N-звенные RC-фильтры в цепи базы транзистора. На рис.4 показана схема устройства с двузвенным RC-фильтром. Здесь сумма значений сопротивления резисторов R1 и R2 равна сопротивлению резистора R1 в предыдущем устройстве, а сопротивление резистора R3 равно сопротивлению резистора R2 в фильтре по рис.3.

рис. 4.
Недостаток этого устройства - сравнительно невысокий КПД. Из рассмотренных фильтров практическое применение получили устройства, выполненные по схемам на рис.3 и 4. С учетом интересных качеств, заложенных в фильтре по схеме на рис.2, была проведена работа по усовершенствованию этого устройства. Ее результатом явились два варианта фильтра, по КПД и уровню пульсации близкого к LC-фильтрам, а по массогабаритным показателям значительно превосходящего их.

рис. 5.

рис. 6.
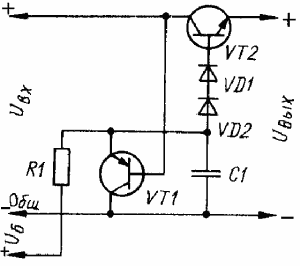
Схема одного из этих фильтров показана на рис.5, а на рис.6 - несколько упрощенные графики, иллюстрирующие его работу. На коллектор транзистора VT2 поступает от выпрямителя постоянное напряжение Uвх с большой амплитудой пульсации. На резистор R1 поступает напряжение Uб с дополнительного источника (на рис.6 оно показано не содержащим пульсации для облегчения понимания работы фильтра; реально оно может иметь пульсации). Всегда следует выбирать Uб>Uвх, что позволит увеличить сопротивление резистора R1, а значит, уменьшить емкость конденсатора С1. Конденсатор С1 будет заряжаться от источника Uб через резистор R1. Пока напряжение на конденсаторе меньше входного (то есть напряжения на базе транзистора VT1), транзистор закрыт. Как только напряжение на конденсаторе превысит входное на величину UэбVT1 транзистор VT1 откроется и конденсатор С1 начнет разряжаться (момент t1 на рис.6). Разрядка продолжается до тех пор, пока входное напряжение не начнет увеличиваться. В момент t2 транзистор VT1 закроется и конденсатор С1 снова начнет заряжаться. Далее этот процесс будет периодически повторяться.

рис. 7.
Размах пульсации на конденсаторе определяется постоянной времени T=R1C1. Номинал резистора выбирают, исходя из тех же соображений, что и в рассмотренных ранее фильтрах по схеме на рис.1 и 2. Необходимую емкость конденсатора рассчитывают из условия, что постоянная времени T больше в 10...20 раз периода колебаний входного напряжения Uвх. Вообще же, чем больше емкость конденсатора, тем меньше размах пульсации. Напряжение с конденсатора С1 поступает на базу транзистора VT2 через диоды VD1, VD2. Так как транзистор VT2 включен по схеме эмиттерного повторителя, то выходное напряжение фильтра по форме будет повторять напряжение на конденсаторе С1, то есть пульсации на выходе фильтра будут намного меньше входных. Выходное напряжение жестко связано с минимальным значением входного напряжения и не зависит от температуры, времени, сопротивления нагрузки и статического коэффициента передачи тока основного транзистора фильтра. Минимальное напряжение между коллектором и эмиттером транзистора VT2 определяется числом диодов, включенных между конденсатором и базой этого транзистора и служащих для смещения уровня постоянной составляющей выходного напряжения. На рис.7 изображена схема второго варианта фильтра. Условия работоспособности для него те же, что и для первого (см. рис.5). Зарядка конденсатора С1 продолжается до тех пор, пока напряжение на нем не превысит входное на величину UпрVD1 (момент t1 на рис.8). С этого момента конденсатор С1 разряжается через открывшийся диод VD1, транзистор VT1 и нагрузку, а также через источник напряжения Uвх. Разрядка будет продолжаться до тех пор, когда входное напряжение Uвх начнет вновь увеличиваться (момент t2). Этот процесс будет повторяться периодически. Диоды VD2, VD3 служат для смещения уровня постоянной составляющей, как и в предыдущем фильтре. Кроме этого, диод VD2 выполняет функцию ключа в пиковом детекторе VD2C2. Так как ток базы довольно мал и конденсатор С2 разряжается только через цепь базы, то пульсации на нем будут меньше, чем на конденсаторе С1. Следовательно, на выходе фильтра пульсации будут незначительны.

рис. 8.
Наличие конденсатора С2 и диода VD2 изменяет характер кривой зарядки конденсатора С1 (рис.8). Пока напряжение на конденсаторе С1 меньше, чем на С2, и диод VD2 закрыт, наклон кривой Uс1 определяется постоянной времени зарядки T1=R1C1. Когда же напряжение UC1 превысит напряжение Uc2 настолько, что откроется диод VD2 (момент t3), то конденсаторы окажутся включенными параллельно. Скорость их зарядки уменьшится и будет определяться постоянной времени зарядки T2=R1 (C1+C2). После того, как напряжение на конденсаторе С1 достигнет своего максимального значения и начнет уменьшаться, диод VD2 закрывается и конденсатор С2 медленно разряжается через цепь базы транзистора VT1. Параметры этого фильтра так же, как и предыдущего (см. рис.5), практически не зависят от дестабилизирующих факторов. Сглаживающий фильтр, собранный по схеме на рис.7, при минимальном значении входного напряжения Uвх min=14 В с размахом пульсации dUвх=2,5 В и Uб=18 В обеспечивает при токе нагрузки 2 А выходное напряжение 12,5 В с размахом пульсации dUвых=40 мВ и КПД около 86 %. Конденсаторы С1 и С2 - К50-29.
И. МЕДВЕДЕВ, г. Брянск, Радио №8, 1991 г.