Рабочая частота - 96 МГц
Тип модуляции - частотная
Дальность приёма - от 100 до 800 м
Питание - 9 В(элемент типа "Крона")
Выходная мощность - не менее 50 мВт
Потребляемый ток - не более 25 мА
Время непрерывной работы - не менее 12 часов
Чувствительность микрофона - 6-10 м

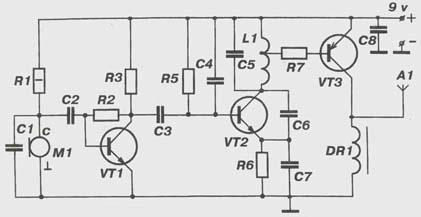
VT1 - КТ3130Б9 |
С1 - 100 пФ |
VT2 - КТ368А9 |
С2 - 0,1 мкФ |
VT3 - КТ3126Б |
С3 - 0,1 мкФ |
R1 - 12 кОм |
С4 - 500...1000 пФ |
R2 - 300 кОм |
С5 - 22 пФ |
| R3 - 4,7 кОм | С6 - 12 пФ |
| R5 - 20 кОм | С7 - 39 пФ |
| R6 - 200 Ом | С8 - 33 нФ |
| R7 - 200 Ом | |

Примечания:
1. Конденсатор С8 паять с обратной стороны платы.
2. Конденсатор С1 паять на микрофон М1 .
3. П1,П2 - перемычки для подачи питания.
4. пн - навесная пайка.
Устройство представляет
собой микропередатчик, работающий на одной из
свободных частот FM-диапазона.
Приёмным устройством может служить любой
радиоприёмник, имеющий "Западный диапазон УКВ
(FM 88-108 МГц). При эксплуатации устройства,его
антенна должна быть расположена вертикально и
удалена от металических предметов. Приёмник
следует выбирать с максимальной
чувствительностью. Выполнение этих условий
обеспечивает максимальную дальность действия.