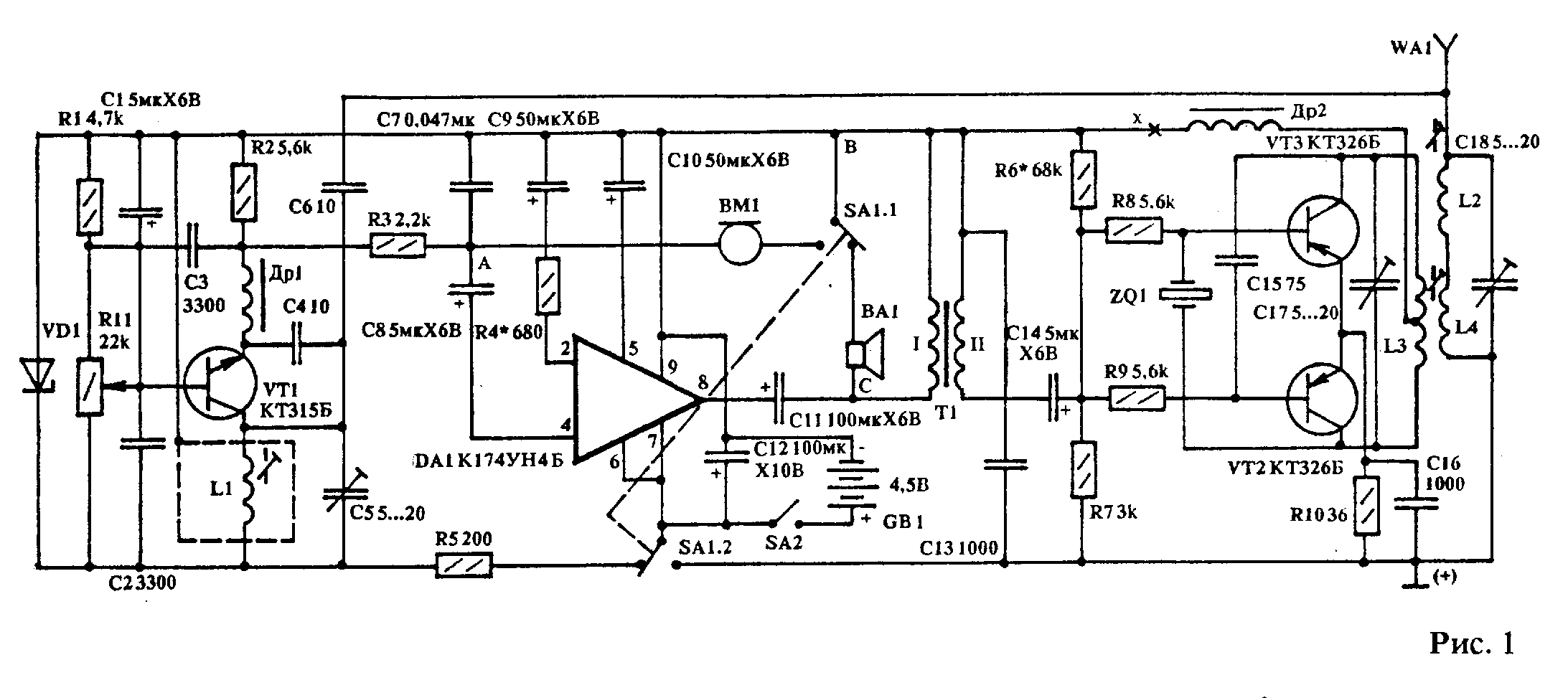
За основу этого миниатюрного
трансивера взята схема приемопередающего
устройства, описание которого опубликовано в
"РЛ" N2 /92 г. Отличается он от прежней
конструкции тем, что частота задающего
генератора передатчика стабилизирована кварцем,
а это значительно упрощает настройку. Приемник
радиостанции является обычным
сверхрегенеративным детектором. Единственной
его особенностью можно считать переменный
резистор R11, который облегчает настройку и
который, при желании, можно вынести на лицевую
часть трансивера. Чувствительность приемника
повышена за счет применения в усилителе НЧ
микросхемы К174УН4Б, которая при питании от
батареи 4,5 В развивает мощность 400 мВт. Цепь
громкоговорителя соединена с ми
нусом источника питания, что позволило упростить
коммутацию с цепью микрофона и использовать
спаренную кнопку, которой в режиме передачи
отключаются громкоговоритель и питание
приемника, а в режиме приема подключаются
микрофон и питание передатчика. На схеме SA1 — в
положении приема.
Передатчик собран на двух
транзисторах и представляет собой двухтактный
автогенератор с кварцевой стабилизацией в цепи
обратной связи. Стабильная частота позволяет при
небольшой мощности передатчика добиться
достаточно большого радиуса связи с однотипной
радиостанцией. Настраивать трансивер необходимо
с УНЧ. Отпаяв резистор R5, в разрыв цепи SA2
подключают миллиамперметр. Ток в режиме покоя не
должен пре
вышать 5 мА. При касании отверткой точки А в
громкоговорителе должен появляться шум. Если
усилитель самовозбуждается, то сопротивление
резистора R4 необходимо повышать до 1,5 кОм, но при
этом помнить, что чем выше номинал резистора, тем
ниже чувствительность усилителя. Далее,
установив R5, измеряют общий ток УНЧ и
сверхрегенеративного детектора. Он равен 10 — 15
мА, при этом из динамика должен быть слышен звук в
виде шипящего шума. Если шума нет, необходимо
перемещать движок резистора R11 из верхнего (по
схеме) положения в нижнее. Должен появится
громкий устойчивый шум, что говорит о хорошей
работе сверхрегенеративного детектора.
Дальнейшая настройка приемника производится
только после настройки передатчика и
заключается в подгонке емкости конденсатора С1
(грубая настройка) и индуктивности L1 (точная
настройка) к режиму наилучшего приема сигнала
передатчика. При настройке передатчика
необходимо в разрыв цепи "х" подключить
миллиамперметр и величину сопротивления R6
подобрать, такой, чтобы ток был равен 40 — 50 мА.
Затем надо подключить миллиамперметр на пределе
измерения 50 мкА к плюсовой шине передатчика, а
другой конец прибора через диод и конденсатор 10
— 20 пф — к антенне. Подстройка L3L4, С17, L2 и С18
ведется до максимального отклонения стрелки
прибора. Причем грубо настраивают емкостями, а
точнее — сердечниками контуров. Подстрочник
катушки L3L4 должен находиться не далее 3 мм от
среднего положения, так как в крайних его точках
может срываться генерация из-за нарушения
симметрии плеч транзисторов VT2 и VT3. Настраивая
при выдвинутой антенне L2 и С 18 по максимальному
отклонению стрелки прибора, необходимо добиться
полного согласования антенны и передатчика. Если
при включении передатчика внезапно срывается
генерация, то это свидетельствует о неправильной
настройке. В таком случае необходимо снова
подобрать режимы работы VT2 и VT3 и тщательно
настроить L2, L3, L4, а если это не поможет, то
подобрать транзисторы с более близкими
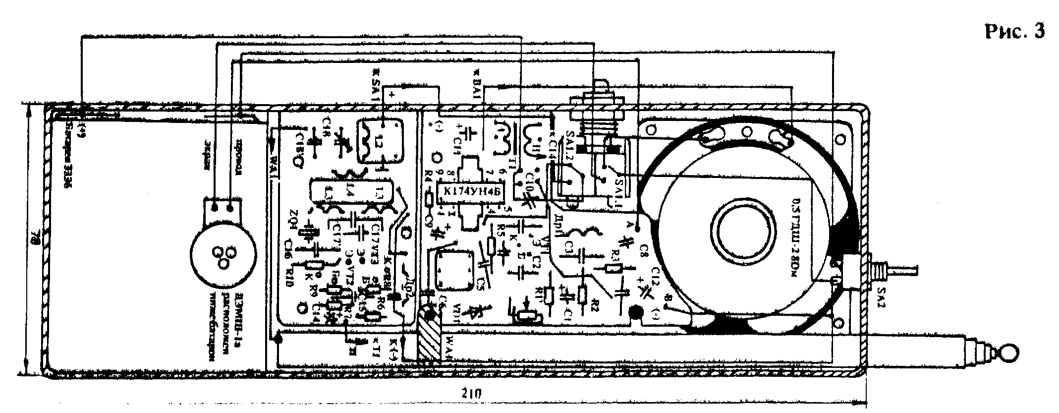
параметрами. Корпус трансивера изготовлен из
пластмассы и имеет размер 270 х 70 х 40 мм. Можно
использовать две верхние крышки от школьных
пеналов с такими же размерами. Монтаж выполнен на
двух печатных платах (рис.4.): на первой —
передатчик, на второй — усилитель НЧ и приемник,
между ними помещен экран из полоски алюминия
размером 68 х 38 мм. Экран соединен с плюсовой шиной
батареи питания.

В трансивере применены резисторы МЛТ-0,125; конденсаторы К50-6. Транзистор VT1 можно заменить на ГТ311Ж, КТ312В, а транзисторы VT2, VT3 — на ГТ308В, П403. Условия замены транзисторов следующие: VT1 должен иметь как можно больший коэффициент усиления на граничной частоте, а VT2 и VT3 — иметь одинаковый коэффициент передачи тока. Контурные катушки L1 и L2 намотаны на каркасах диаметром 5 мм. Они имеют подстро-ечные сердечники из карбонильного железа диаметром 3,5 мм и высотой 17 мм. Катушки заключены в экраны размером 12х 12х 17 мм. Экран L1 соединен с минусом батареи питания, а L2 — с плюсом. Обе катушки намотаны проводом ПЭВ-0,5 мм и имеют по 10 витков каждая. При изготовлении катушек можно использовать контура от тракта ПЧ телевизоров. Именно такой каркас использовался автором при изготовлении катушки L3L4 длиной 25мм и диаметром 7,5мм. На плате она располагается горизонтально. Намотка L3 и L4 ведется с шагом 1 мм, расстояние между намотками — 1мм. L3 имеет 4+4 витка ПЭВ-0,5мм, L4 — 4 витка того же провода. Катушка L4 расположена между половинами намоток L3. Дроссели Др1 и Др2 использованы заводские, намотанные на резисторах, применяемые в трактах ПЧ телевизоров. Громкоговоритель можно применить любой другой с сопротивлением 80м. Подойдут громокоговорители типа 0,1ГД-8; 0,1 ГД-6; 0.25ГДШ-3. Трансформатор наматывается на любом малогабаритном маг-нитопроводе типа ШЗ х б и содержит в первичной обмотке 400 витков провода ПЭВ-0,23мм, во вторичной — 200 витков того же провода. В качестве микрофона используется малогабаритный капсуль ДЭМШ1А, но без него можно обойтись, если использовать громкоговоритель с включением последнего по схеме на рис.2.

Антенна — телескопическая, имеет длину 105 мм. Автором использовано одно колено комнатной телевизионной антенны. В качестве источника питания применяется одна плоская батарея типа КБС-4.5В. Можно заменить ее четырьмя элементами типа A316, А336, А343. Платы крепятся винтами к стойкам с резьбой МЗ. Все стойки передатчика соединены с передней алюминиевой декоративной решеткой, которая играет роль противовеса. Стойка приемника, расположенная возле L1, соединяется с антенной с помощью алюминиевой скобы, которая, в свою очередь, является элементом крепления антенны. В печатной плате передатчика предусмотрены отверстия для добавочных емкостей подстроеч-ных конденсаторов С17 и С18. Микрофон закреплен под источником питания, закрыт со всех сторон заземленным алюминиевым экраном и отделен от последнего тонким паролоном. Трансивер рассчитан на низковольтное питание и поэтому повышать напряжение питания более 7 - 8 В нельзя, так как это приведет к перегреву микросхемы и транзисторов VT2, VT3.

А.ЧЕРКАЩЕНКО, 320106, г.Днепропетровск, ул.Судца, 3/83, Радиолюбитель 5/93