
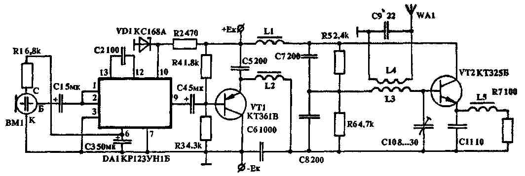
Описываемый передатчик может быть использован как действующее наглядное пособие при изучении способов передачи радиосигналов. Для приема годится любой вещательный приемник, имеющий диапазон УКВ. Имея два приемника и два передатчика, можно приобрести навыки двусторонних любительских связей, развить у юных радиолюбителей интерес к радиоспорту. Конструкция состоит из модулятора (микросхема DA1, транзистор VT1) и задающего генератора (транзистор VT2). Генератор выполнен по трехточечной схеме с емкостной обратной связью. Связь с антенной — индуктивная. С целью уменьшения габаритов в схеме применен электретный микрофон МКЭ-3. Схема иекритична к типам используемых деталей и их взаимному расположению. Дроссели L1, t2, L5 намотаны внавал на стандартных ферритовых сердечниках диаметром 2,8 мм от контуров транзисторных приемников и имеют по 60-80 витков провода ПЭЛШО-0,1. Катушки индуктивности L3 и L4 имеют соответственно 6 и 3,5 витков провода ПЭЛ-0,8—1,0. Эти катушки — бескаркасные. Для их изготовления используется оправка диаметром 8 мм. При безошибочном монтаже наладка передатчика сводится к настройке задающего генератора на рабочую частоту конденсатором С10 и согласованию выхода с антенной подбором емкости кондеи** сатора С9, что удобно сделать при помощи приемника со стрелочным индикатором. В качестве антенны использован отрезок монтажного провода длиной 30... 40 см. С помощью этого передатчика можно уверенно передавать речевые сигналы на расстояние 20...30 метров. Передатчик имеет ма< лую мощность и практически не создает помех радиоприему, что позволяет повторять его конструкцию без специального разрешение инспекции электросвязи. Источником питания может служить батарея типа "Корунд", "Крона" и т.п.
А.УВАРОВ, 312510, Харьковская обл., г.Волчанск, ул.Набережная, 12., Радиолюбитель 2/93