Простой передатчик на 144 мГц.

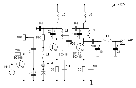
Простой радиопередатчик предназначен для работы в диапазоне 144-145 МГц. Модуляция - узкополосная ЧМ. Выходная мощность - 100 мВт.


Контура L1-L4 намотаны на оправках диаметром 5 мм проводом ПЭЛ-0,6.
L1 содержит 6 витков.
L2-L4 содержат по 4 витка.
Дроссели L5 и L6 намотаны на ферритовых подстроечных сердечниках и имеют по 4 витка проводом ПЭЛ-0,6.

Транзисторы BC108 можно заменить на КТ3102, а BCX19 - на 2Т368, КТ325. Микрофон - электретный.

Elektronisches Jahrbuch 1988. DDR, Berlin.

Назад