Радиомикрофон работает в диапазоне частот 65-108 МГц с широкополосной частотной модуляцией. Это позволяет принимать сигнал с радиомикрофона на обычный ЧМ приемник этого диапазона. Дальность действия достигает 150-200 м. Продолжительность работы с батареей типа "КРОНА" - около 10 ч.

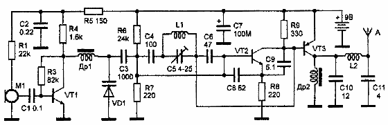
Рис. 1.
Низкочастотные колебания с выхода микрофона M1 (типа МКЭ-3, М1-Б2 "Сосна" и им подобных) через конденсатор С1 поступают на усилитель звуковой частоты, выполненный на транзисторе VT1 типа КТ315. Усиленный сигнал звуковой частоты, снимаемый с коллектора транзистора VT1, через дроссель Др1 воздействует на варикап VD1 (типа КВ109А), который осуществляет частотную модуляцию радиосигнала, сформированного высокочастотным генератором. Генератор ВЧ собран на транзисторе VT2 типа КТ315. Частота этого генератора зависит от параметров контура L1, С3, С4, С5, С6,VD1. Сигнал ВЧ, снимаемый с коллектора транзистора VT2, усиливается усилителем мощности на транзисторе VT3 типа КТ361. Усилитель мощности имеет гальваническую связь с задающим генератором. Усиленное высокочастотное напряжение выделяется на дросселе Др2 и поступает на П-образный контур, выполненный на элементах С11 L2, С10. Последний настроен на пропускание основного сигнала и подавление множества гармоник, возникающих на коллекторе транзистора VT3. Радиомикрофон собран на плате размером 30х70 мм. В качестве антенны используется отрезок монтажного провода длиной 25 см. Все детали малогабаритные. Резисторы - типа МЛТ-0,125, конденсаторы - К50-35, КМ, КД. Вместо варикапа VD1 типа КВ109А можно использовать варикапы с другим буквенным индексом или варикап типа KB102. Транзисторы могут иметь любой буквенный индекс. Транзисторы VT1 и VT2 можно заменить на КТ3102, КТ368, а транзистор VT3 - на КТ326, КТ3107, КТ363. Дроссели Др1 и Др2 намотаны на резисторах МЛТ 0,25 сопротивлением более 100 кОм проводом ПЭВ 0,1 по 60 витков каждый. Катушки L1 и L2 бескаркасные, диаметром 5 мм. Катушка L1 - 3 витка, катушка L2 - 13 витков провода ПЭВ 0,3.
Настройка сводится к установке частоты задающего генератора, соответствующей свободному участку УКВ ЧМ диапазона, изменением емкости подстроечного конденсатора. Растяжением или сжатием витков катушки L2 настраивается передатчик на максимальную мощность ВЧ сигнала.
Андрианов В.И., Бородин В.А., Соколов А.В. "Шпионские штучки и устройства для защиты объектов и информации", 1996 г.