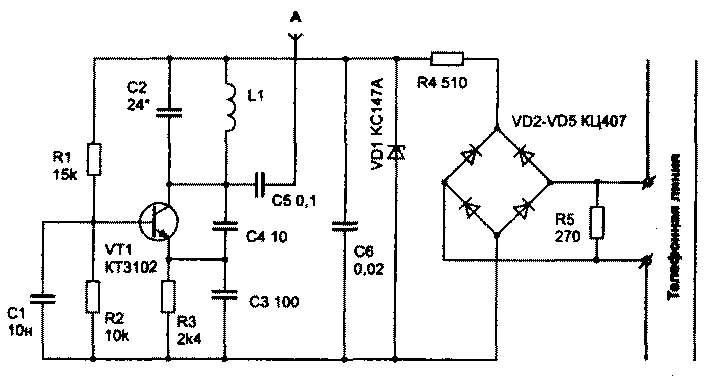
Данный передатчик предназначен для передачи информации телефонного разговора на приемник УКВ в диапазоне 68-108 МГц. Дальность действия ретранслятора составляет 50-100 м. Катушка L1 бескаркасная, намотана на оправке диаметром 4 мм и содержит 8 витков провода ПЭЛ 0,5. Вместо диодов VD2-VD5 можно использовать диодную сборку типа КЦ407. В качестве антенны используется провод длиной 30-70 см. Настройка передатчика заключается в растяжке или сжатии витков катушки L1.

Радиохобби 3/99