УКВ - ЧМ радиостанция.

Любительская связь на УКВ диапазонах с использованием частотной (ЧМ) или фазовой (ФМ) модуляции в нашей стране развивается пока очень медленно, несмотря на ряд публикаций, появившихся в «Радио» в прошлые годы. Одна из причин — отсутствие описания несложной радиостанции, доступной для повторения широкому кругу радиолюбителей. Данной статьей автор пытается восполнить этот пробел.

Сначала несколько слов об основных идеях, заложенных в эту разработку. В настоящее время требования к стабильности частоты УКВ передатчиков таковы, что необходимо использовать кварцевую стабилизацию. Именно такой передатчик с умножением частоты задающего генератора и использован в радиостанции. Это, правда, исключает перестройку его частоты в значительных пределах, зато он получается довольно простым. Современные микросхемы позволяют простой приемник собрать по супергетеродинной схеме с одним преобразованием частоты. Если в приемнике использовать гетеродин с кварцевой стабилизацией и последующим её умножением, то возникает необходимость подбора двух кварцевых резонаторов с точно заданной разностью частот. Кроме того, приемник будет одноканальным, с весьма ограниченной возможностью его перестройки по частоте. Поэтому решено было использовать плавно перестраиваемый по частоте LC гетеродин, что позволило прослушивать весь диапазон 144... 146 МГц и работать с другими радиостанциями, отличающимися частотой передатчика, т. е. на разнесенных частотах. Схема приемника при этом еще более упростилась. Относительная нестабильность частоты LC гетеродинов при соблюдении элементарных правил их конструирования получается лучше, чем 10-4, что дает абсолютную нестабильность в диапазоне 2 м менее 15 кГц, т. е. вполне сопоставимую с полосой пропускания приемника ЧМ сигналов. Следовательно, при проведении любительских связей приемник в большинстве случаев подстраивать будет не нужно. Передатчик и приемник этой радиостанции полностью независимы, что дает возможность не только изготавливать и настраивать их по отдельности, но и во время работы в эфире прослушивать собственный сигнал.

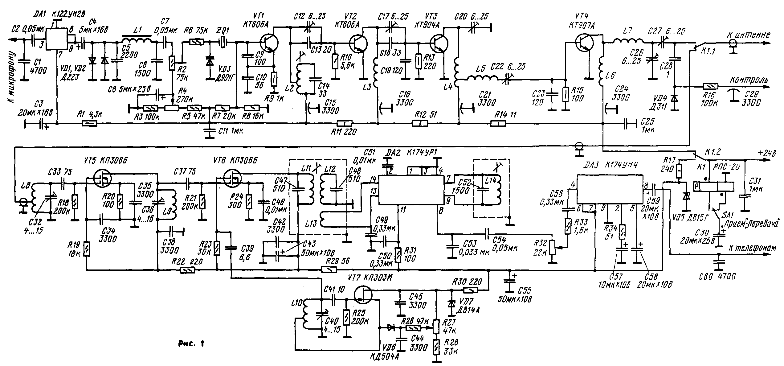
Рассмотрим принципиальную схему радиостанции (рис. 1). Микрофонный усилитель передатчика радиостанции выполнен на микросхеме DA1, нагруженной диодным ограничителем (VD1, VD2), позволяющим увеличить средний индекс модуляции, а следовательно, и ее эффективность, и избежать в то же время перемодуляции и излишнего расширения спектра излучения на пиках звукового сигнала. Значительная часть гармоник ограниченного звукового сигнала ослабляется П-образным ФНЧ L1C5C6 с частотой среза 3 кГц. Отфильтрованный звуковой сигнал подается на варикап VD3, включенный последовательно с кварцевым резонатором в задающем генераторе. Постоянное напряжение смещения на варикапе регулируют переменным резистором R4, при этом в небольших пределах (10...20 кГц) перестраивается выходная частота передатчика. Необходимый индекс модуляции (1,5...2) устанавливают резистором R2. При этом девиация частоты будет 5...7 кГц. Задающий генератор собран по трехточечной схеме с емкостной обратной связью (конденсаторы С9, С10) на транзисторе VT1. Кварцевый резонатор возбуждается на основной частоте, находящейся в интервале 9...9,12 МГц. Можно также использовать резонаторы на частоты 12...12,17 МГц и 18... 18,25 МГц. Высокочастотные кварцы даже предпочтительней, так как меньшая краткость умножения частоты улучшает спектральную чистоту выходного сигнала. Контур L2C14 настроен на частоту 36 МГц. Чтобы повысить его нагруженную добротность, а значит, и улучшить фильтрацию соседних гармоник, применено неполное автотрансформаторное включение контура в коллекторную цепь. Сигнал частотой 36 МГц через разделительные конденсаторы С12, С13 поступает на удвоитель частоты, собранный на транзисторе VT2. Подстроечным конденсатором С12 можно регулировать сигнал, передаваемый на последующие узлы. Смещение на удвоитель, также, как и на последующие каскады, не подается. При этом транзисторы работают в режиме класса С, обеспечивая высокую эффективность умножения частоты и высокий КПД в режиме усиления. Контур L3C17C18C19 настроен на частоту 72 МГц. Еще один удвоитель частоты собран на транзисторе VT3. Его коллекторная цепь выделяет сигнал частотой 144 МГц. Для лучшей фильтрации здесь применена двухконтурная цепь. С отвода катушки первого контура L4C20 сигнал приходит на второй контур L5C22C23, служащий также и для согласования со входом усилителя мощности, выполненного на транзисторе VT4. Выходная мощность — около 2,5 Вт при общем потребляемом токе по цепи питания 300 мА. Выходной контур передатчика образован катушками L6, L7 и подстроечны-ми конденсаторами С26, С27, которыми его настраивают в резонанс и согласовывают с антенной. Выходное сопротивление передатчика — в пределах 50...75 Ом. Для коммутации фидера антенны от передатчика к приемнику и цепи питания используется дистанционный переключатель К1. Для управления им требуется короткий импульс тока, подаваемый в одну или другую обмотку. Он формируется при зарядке и разрядке конденсатора СЗО. Можно применить и реле, включенное по традиционной схеме. Желательно, чтобы его контакты имели малую емкость и небольшую длину внутренних соединительных проводников.

Приемник .радиостанции собран по обычной супергетеродинной схеме. Значение ПЧ 2,3 МГц выбрано из такого расчета, чтобы заметно ослабить зеркальный канал входными контурами, и в то же время не слишком расширить полосу пропускания по ПЧ (как известно, при повышении значения ПЧ селективность по зеркальному каналу повышается, но расширяется полоса пропускания из-за ограниченной конструктивной добротности контуров) . Сигнал с переключателя К1 поступает на входной контур L8C32 усилителя радиочастоты, собранного на двухзатворном полевом транзисторе VT5, обеспечивающим высокое входное сопротивление и стабильное усиление сигнала. В смесителе использован транзистор VT6 того же типа. Усиленный РЧ сигнал с контура L9C36 подается на первый затвор, а напряжение гетеродина — на второй. Гетеродин приемника выполнен по схеме индуктивной трех-точки на полевом транзисторе VT7. Для перестройки по частоте к отводу катушки гетеродина L10 подключен диод VD6, используемый как варикап. Регулируя переменным резистором R27 напряжение смещения на нем, можно изменять его емкость, а следовательно, и частоту гетеродина. Двухконтурный полосовой фильтр L11C47L12C48 выделяет сигнал ПЧ 2,3 МГц, который через катушку связи L13 подается на вход микросхемы DA2. В ее состав входят усилитель ПЧ, ограничитель и частотный детектор. Фазосдвигаюший контур детектора L14C52 настроен на ПЧ 2,3 МГц. Про-детектированный звуковой сигнал через регулятор громкости R32 поступает на усилитель ЗЧ, выполненный на микросхеме DA3, и далее на телефоны или громкоговоритель.

Детали радиостанции могут быть самых различных типов, но следует соблюдать некоторые требования, общие для любых УКВ аппаратов. Так, в высокочастотных цепях можно применять только керамические конденсаторы. Длину их выводов следует укорачивать до минимально возможной. Проходные блокировочные конденсаторы могут иметь любую емкость от нескольких тысяч пикофарад и более. Подстроечные конденсаторы — КПК или КПК-М. В тракте ПЧ и ЗЧ приемника можно применять конденсаторы любого типа. Все постоянные резисторы в приемнике — МЛТ, переменные — любого типа. В качестве катушки ФНЧ L1 использована вторичная (повышающая) обмотка малогабаритного трансформатора ТОТ-7, имеющая индуктивность около 3 Гн. Можно также использовать первичную обмотку согласующего трансформатора от усилителя ЗЧ портативных приемников. Катушка L2 намотана на цилиндрическом каркасе диаметром 8 мм и содержит 7 витков провода ПЭЛ 0,5. Намотка рядовая. Отвод сделан от 3-го витка, считая от вывода, соединенного с конденсатором С15. Подстроечник — магнетитовый, СЦР. Остальные катушки передатчика — бескаркасные. Они изготовлены на оправке диаметром 10 мм медным голым проводом диаметром 1...1,2 мм. Хорошо (но необязательно) использовать посеребренный провод. Катушки L3 и L6 содержат по 4 витка при длине намотки 15 мм, L4, L5 и L7 — по 3 витка при длине намотки 8... 10 мм. Отвод у катушки L4 сделан от первого витка, считая от вывода, соединенного с конденсатором С21. Катушки приемника L8 и L9 — также бескаркасные, но намотаны на оправке диаметром 4 мм проводом ПЭЛ 0,7...0,8. Катушка L8 содержит 5 витков при длине намотки 9 мм с отводом от второго витка, L9— 4 витка при длине намотки 7 мм. Катушка гетеродина L10 намотана на керамическом каркасе (трубке) диаметром 5 мм. Она имеет 5 витков провода ПЭЛ 0,5 при длине намотки 10 мм. Отвод сделан от второго витка. Каркас должен иметь отверстия для закрепления выводов или металлизацию для их припайки. Провод на него наматывают с большим натяжением, обеспечивающим механическую стабильность катушки. В крайнем случае можно закрепить провод на каркасе каким-либо клеем, высыхающим до твердого состояния. Катушки контуров ПЧ выполнены для повышения их добротности в броневых магнитопроводах СБ-12а литцендратом ЛЭШО 21X0,07. Способ намотки значения не имеет, лишь бы уместились все витки. Катушки L11 и L12 имеют по 44 витка, L14—26. Катушка связи L13 намотана поверх контурной катушки L12 (в том же магнито-проводе) и содержит 5 витков провода ПЭЛШО 0,15...0,25. Катушки L11 и L12, L13 расположены одна над другой в общем экране и разделены изолирующей прокладкой толщиной 4 мм. Катушка L14 частотного детектора помещена в отдельный экран. Удобно использовать прямоугольные экраны от контуров ПЧ телевизора (укоротив по высоте). Подойдут и круглые экраны от ламповых панелей ПЛК-9. Эскиз контуров ПЧ показан на рис. 2.

Конструкция радиостанции схематично показана на рис. 3. На передней панели размерами 190х90 мм расположены переменный резистор для настройки, регулятор громкости, переключатель «Прием» — «Передача», разъемы для телефонов и микрофона. К передней панели отрезками дюралюминиевого проката (брус) длиной 85 и высотой 30 мм прикреплено коробчатое шасси передатчика, изготовленное из мягкого листового дюралюминия. Между ним и передней панелью расположена плата приемника — пластина фольгированного стеклотекстолита размерами 190х40 мм. Шасси передатчика глубиной 40 мм разделено тремя экранирующими, перегородками на четыре отсека, в которых располагают соответственно детали задающего генератора и контур L2C14, транзистор VT2 и катушку L3, транзистор VT3 и катушки L4, L5, транзистор VT4 и детали выходного контура. Транзисторы и проходные конденсаторы располагают на верхней панели шасси. Сверху шасси размещены также плата с микрофонным ' усилителем, кварцевый резонатор, развязывающие резисторы цепи питания Rll, R12 и R14, дистанционный переключатель К1. Там же на угольнике размещены разъемы для присоединения антенны и источника питания. Эскиз печатной платы приемника не приводится, поскольку конфигурация проводников зависит от типа и размера примененных деталей. В любом случае рекомендуется оставить на плате максимальную площадь фольги под общий провод, что уменьшит вероятность паразитных связей и наводок. Описанная конструкция сформировалась почти стихийно, в процессе разработки станции, и автор не считает ее оптимальной. Возможны и другие варианты конструктивного выполнения, зависящие от вкуса, возможностей и желаний радиолюбителей.

Налаживание радиостанции начинают с приемника. Подав напряжение питания (можно от отдельного источника), проверяют работу усилителя 34. В положении максимальной громкости регулятора R32 должен прослушиваться слабый шум микросхемы DA2. Подав сигнал с ГСС частотой 2,3 МГц на первый затвор транзистора VT6 через разделительный конденсатор емкостью 50...300 пФ, настраивают контуры в тракте ПЧ. Если в генераторе предусмотрен режим ЧМ, то настройка особенно проста — все три контура ПЧ настраивают по максимальной громкости звукового сигнала на выходе приемника. Если же режима ЧМ нет, следует подать немодулированный сигнал и поддерживать его уровень таким, чтобы наблюдалось некоторое уменьшение шума на выходе приемника. Контуры настраивают по максимальному подавлению шума, уменьшая по мере настройки уровень сигнала ГСС.

После настройки, присоединив вольтметр к выводу 8 микросхемы DA2 и перестраивая частоту ГСС в пределах + (50...60) кГц, целесообразно проверить дискриминационную кривую. Примерный вид этой зависимости показан на рис. 4. Оптимальной настройке соответствует максимальная и одинаковая высота «горбов» при минимальном уровне сигнала. При отсутствии ГСС полосовой фильтр ПЧ можно настроить, присоединив также через разделительный конденсатор к первому затвору транзистора VT6 небольшую суррогатную антенну. Вблизи частоты 2,3 МГц работает много коротковолновых телеграфных станций, и контуры L11C47 и L12C48 настраивают по максимуму слышимости. Настройку контура L14C52 уточняют после, при приеме УКВ станций с ЧМ, по максимальной громкости и качеству их приема. Работу гетеродина проверяют, включив миллиамперметр в провод питания между конденсатором С45 и стабилитроном VD7. Прикосновение к контуру L10C40 вызывает срыв колебаний и некоторое возрастание тока. Частоту гетеродина устанавливают конденсатором С40 или подав с ГСС на вход приемника сигнал частотой 144...146 МГц, или прослушивая сигнал собственного передатчика (либо других радиолюбительских станций). Несколько выше по частоте, в диапазоне 146... 148 МГц, иногда удается прослушать работу служебных ЧМ радиостанций. Контуры L8C32 и L9C36 настраивают по максимальной громкости приема. Настройка контура L9C36 несколько влияет на частоту гетеродина, и ее приходится корректировать резистором R27. Присоединение наружной штыревой антенны двухметрового диапазона ко входу правильно настроенного приемника вызывает заметное увеличение и изменение характера шума в телефонах.

Передатчик налаживают покаскадно, подавая напряжение питания только на настраиваемый и предыдущие каскады. В цепь питания необходимо включить миллиамперметр. Неоценимую помощь при налаживании передатчика окажет простейший резонансный волномер, изготовленный на основе КПЕ с воздушным диэлектриком максимальной емкостью 75... 150 пФ. Катушка волномера представляет собой прямоугольную рамку размерами 50 X Х15 мм, согнутую из толстого медного провода. Схема волномера и эскиз его конструкции приведены соответственно на рис. 5, а и б. Волномер перекрывает диапазон примерно от 40 до 160 МГц, что вполне достаточно для настройки. Шкалу волномера градуируют по сигналам ГСС. Индикатором может служить обычный авометр, включенный на минимальный предел измерения напряжения. Включив задающий генератор, убеждаются в наличии генерации по изменению тока в цепи питания при отключении кварцевого резонатора или при замыкании базы транзистора на общий провод конденсатором значительной емкости. Контур L2C14 настраивают по максимуму тока транзистора VT2. Аналогично, подключив питание транзистора VT3, настраивают контур L3C17C18C19. Частоту (72 МГц) контролируют волномером. Перед налаживанием выходного каскада его следует нагрузить эквивалентом антенны — лампой накаливания на напряжение 13,5 В и ток 0,18 А, сопротивление которой в нагретом состоянии близко к 75 Ом. Контуры L4C20 и L5C22C23 настраивают на частоту 144 МГц (контролируют волномером) по максимуму тока транзистора VT4 (до 300 мА). Чрезмерно большой ток указывает на необходимость уменьшить конденсатором С12 возбуждение, а затем подстроить контур подстроечником катушки L2 по максимуму тока выходного каскада. Выходной контур настраивают конденсаторами С26 и С27, варьируя соотношение их емкостей таким образом, чтобы добиться максимальной яркости свечения лампы накаливания — эквивалента нагрузки.

Микрофонный усилитель налаживания не требует. Полезно лишь проверить, сняв АЧХ усилителя, частоту среза ФНЧ. Необходимый индекс модуляции устанавливают резистором R2 при прослушивании сигнала передатчика другими радиостанциями, собственным приемником, на который необходимо подать лишь напряжение питания в обход переключателя «Прием» — «Передача», или с помощью анализатора спектра. Модуляция должна быть чистой и глубокой, а ширина полосы излучаемых частот не должна превосходить 25...30 кГц по уровню —30 дБ.

Простейшей антенной радиостанции может служить штырь длиной 0,25?, с четвертьволновым «стаканом», предотвращающим затекание тока на оплетку кабеля, и дополняющим длину антенны до 0,5? Эскиз антенны приведен на рис. 6. Диаметр штыря и «стакана» некритичны, автор использовал отрезок дюралюминиевого стержня диаметром 6 мм и отрезок трубки от пылесоса. Крепление к изолирующей мачте может быть любым; металлическая мачта должна входить внутрь «стакана» и иметь с ним контакт только около точки подключения оплетки кабеля. Последний может проходить внутри трубы-мачты. Радиостанция может работать и с другими антеннами, в том числе и направленными.

В. ПОЛЯКОВ (RA3AAE), г. Москва

Радио № 10, 1989 г.

Назад