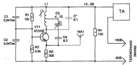
Если требуется беспроводное дистанционное прослушивание телефонных разговоров на своем (чужом) телефонном аппарате, то вам пригодится схема миниатюрного передатчика с частотной модуляцией, рассчитанного на работу в диапазоне УКВ на частотах 63...80 МГц совместно с любым бытовым радиоприемником. Схема питается от телефонной линии только во время разговора, когда поднята телефонная трубка.

Прослушивается разговор радиоприемником на участке диапазона, где нет радиовещательных станций. Радиус действия передатчика без применения антенны WA1 до 50 м, а для увеличения дальности, кроме применения антенны, необходимо использовать приемник с высокой чувствительностью. Так, увеличение чувствительности приемника в 2 раза на столько же увеличивает дальность приема. При подключении устройства к телефонной линии необходимо соблюдать полярность, указанную на схеме. Настройка схемы заключается в перестройке генератора сердечником катушки L1 на нужную частоту УКВ диапазона, а после этого конденсатором СЗ надо подстроить передатчик, контролируя прием по качеству передачи на слух. Частотная модуляция в передатчике получается за счет изменения внутренней емкости транзистора при колебании напряжения питания схемы за счет протекания тока в линии ТА при разговоре. Перед настройкой передатчика необходимо подключить его к телефонной линии и при снятой трубке замерить напряжение на резисторе R4. Оно должно быть в диапазоне от 2 до 3,5 В, а если напряжение больше, то следует уменьшить сопротивление этого резистора. Схема передатчика собрана на односторонней печатной плате размером 20х40 мм, к контактным площадкам которой припаиваются элементы. Размеры платы позволяют разместить ее в корпусе стандартного телефонного гнезда.

Конденсатор СЗ типа КПКМ, а остальные используемые резисторы и конденсаторы могут быть любого типа, малогабаритные. Катушка L1 наматывается на каркасе диаметром 5 мм проводом ПЭВ 0,23 мм и содержит 5+5 витков. Транзистор КТ315Г можно заменить на КТ3102А, а использовать другие транзисторы не рекомендуется, так как при этом сильно возрастает уровень гармоник, которые могут создавать помехи в других диапазонах. При указанных на схеме деталях уровень второй гармоники передатчика меньше на 40...45 дБ относительно основной частоты. В качестве антенны можно применить отрезок любого многожильного провода длиной 30...40 см. Настройку на нужную частоту, если нет высокочастотного ферритового сердечника, можно выполнить подбором емкости контура, показанного на схеме пунктиром. Конденсаторы С1 и С2 могут иметь номиналы 0,022...0,068 мкФ. Подключение данных схем никак не сказывается на качестве работы телефона.