УКВ-приемник.

В радиотехнической литературе последних лет [1-8] опубликовано множество материалов по теме радиоприемников УКВ диапазона, достаточно уверенно работающих в пределах прямой видимости. К сожалению, модели старых выпусков не позволяют прослушивать радиостанции верхнего FM-диапазона (88-108 МГц, или УКВ-2, как его еще называют).

Как известно, в Украине и странах СНГ до недавнего времени для стереовещания использовалась только система с полярной модуляцией (66-74 МГц). В зарубежных странах для стерео-радиовещания применяется система с пилот-тоном. Так, в США и странах Европы для этих целей выделен диапазон 88-108 МГц, в Японии - 76-90 МГц В последние годы систему вещания с пилот-тоном начали использовать и в Украине (для этих целей выделен диапазон 100-108 МГц). Оценив преимущества работы в новом FM-диапазоне, многие радиостанции, работающие в стереорежиме, стали активно его осваивать. Только за последние несколько лет количество таких радиостанций во многих крупных городах на порядок превысило количество работающих в старом диапазоне УКВ-1 [8].

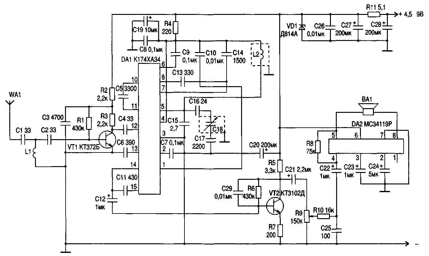
Схема УКВ приемника с конденсаторной настройкой показана на рисунке. Основой является однокристальный УКВ ЧМ приемник на микросхеме К174ХА34 (КР174ХА34, зарубежный аналог TDA7021), включенной по типовой схеме [10-11]. Монтаж выполнен на простой печатной плате из двустороннего стеклотекстолита, которую можно изготовить в домашних условиях за пару часов. Процесс монтажа описан в [10]. Согласно этой публикации сохранены и порядковые номера элементов. При монтаже особое внимание следует уделить минимальной длине соединительных проводников. В ходе отладки исправлены недостатки, имеющиеся в описанных разработках, а также внесены некоторые конструктивные изменения. Для удобства монтажа для микросхемы DA1 использована 16-контактная DIP-панелька. В качестве DA2 авторы применили импортную микросхему МС34119Р, но можно использовать и аналог К1436УН1. Элементы R1 R4, С1 С18, VT1 и DA1 размещены на печатной плате [10, рис 2]. Размер платы немного увеличен, чтобы разместить на ней переменный конденсатор С18, а также дополнительные элементы VT2 и УНЧ на микросхеме DA2. Нагрузкой микросхемы DA2 является телефон сопротивлением 16 Ом (или подходящий динамик). Для повышения чувствительности в схеме использован УВЧ на транзисторе VT1. Прием ведется на штыревую телескопическую антенну WA1. Для настройки служит конденсатор переменной емкости С18. Для подавления сигналов с частотами ниже 60 МГц на входе УВЧ применен ВЧ фильтр C1L1C2. Выход микросхемы DA1 (контакты 14, 15) подключен к широкополосному усилителю на транзисторе VT2, после чего НЧ сигнал попадает на ФНЧ. Для минимизации шумов при приеме слабых сигналов на выходе усилителя на VT2 использован простейший пассивный фильтр низких частот (ФНЧ) на элементах R10C25 с частотой среза 70-80 кГц. После ФНЧ сигнал подается на УНЧ (DA2), включенный по типовой схеме для 16-омной нагрузки. Регулировать громкость можно резистором R9. Питание приемника осуществляется от источника напряжением 4,5-9 В. Как показали измерения, при максимальной громкости и напряжении 8 В устройство потребляет ток около 60 мА.

Микросхема DA2 фирмы Motorola имеет широкий диапазон напряжения питания (2-16 В) и низкий ток потребления (3 мА при Uпит. = 3 В). Выходная мощность не менее 55 мВт при нагрузке 16 Ом и Uпит. = 3 В. В режиме блокировки потребляемый микросхемой ток не превышает 65 мкА. Благодаря наличию в микросхеме DA2 дифференциального входа ее можно включать как по типовой схеме инвертирующего усилителя, так и по схеме неинвертирующего с высоким входным сопротивлением (около 125 кОм). В этом случае коэффициент усиления около 50, а коэффициент гармоник не более 0,5% [9].

Детали. В схеме применены следующие детали. Микросхема DA1 типа К174ХА34, КР174ХА34, TDA7021. Микросхема DA2 - МС34П9Р, К 1436УН1. Транзисторы VT1 - KJ372, КТ368; VT2 - КТ3102, КТ342. Резисторы типа МЛТ, ОМЛТ, С2-13 мощностью 0,25-0,125 Вт, R11 - мощностью 0,5 Вт. Конденсаторы С12, С21-С23 типа КМ или К53; С19, С20/ С27, С28 типа К50 или К53. Емкость конденсаторов С20/ С27 и С28 - от 100 до 500 мкФ Остальные конденсаторы типа КГ, КЛС, КМ или КЮ. Конденсатор С18 емкостью 10-150 пФ. Нижняя (по схеме) обкладка конденсатора (общая с С17) должна быть "корпусной". Переменный резистор R9 типа СП4-1. Катушки намотаны проводом ПЭВ-2 диаметром 0,4 мм и содержат: LI - 8-9 витков на каркасе 0 5,5 мм, L2 - 5-6 витков на каркасе 0 3,5 мм для УКВ1 (66-74 МГц) или 4-5 витков для УКВ2 (88-108 МГц).

Налаживание. Сначала устанавливают режимы по постоянному току для усилителя ВЧ на VT1, проверяют напряжение но контакте 4 DA1, режим по постоянному току широкополосного усилителя на VT2. При максимальном напряжениии источника питания 8-9 В на коллекторе VT1 должно быть 3-4 В, на выводе 4 микросхемы DA1 - максимум 6 В и на коллекторе VT2 3-4 В. Перед налаживанием к приемнику необходимо подключить отрезок провода длиной 1-2 м и процедуру отладки вести в режиме прямой видимости радиосигнала. Вставить DA1 и DA2 в панельки. Конденсатор С20 должен находится вблизи микросхемы DA2. Для наладки можно использовать осциллограф. Подключив щуп к "базе" или "коллектору" VT2, вращают конденсатор С18 ("настройка на станции") и пытаются настроиться на работающие станции, проверяя при этом на экране наличие амплитудных возмущений на осциллографе, появляющихся синхронно со звуковым сигналом радиостанции. Границы перестройки задают подбором номиналов С15, С16 и катушки L2. Настройка на радиостанции в FM-диапазоне (88-108 МГц) будет более простой, если использовать конденсатор С18 меньшей емкости (например, 10-60 пФ). Экранирование частей приемника выполняют тонкой медной или латунной фольгой. При этом экран катушки L2 - круглой формы площадью около 3 см , который одновременно "накрывает" L2 и рядом стоящие конденсаторы. Собрав и отладив монофонический вариант приемника/ вы можете попытаться собрать стереоприемник. Для этого можно использовать недавно разработанный стереодекодер КР174ХА51 [12].

Литература:

1. Макаров Д. УКВ приемник в пачке Marlboro, Pадио.-1995-№ 10.

2. Поляков В. О работе приемника на микросхеме К174ХА34, Радио-1999-№ 9.

3. Герасименко К. АМ-ЧМ приемник на двух ИМС серии К174ХА, Радиохобби-2000-№ 3.

4. Поминов А,В. Тюнер УКВ-FM радиостанций, Радиоаматор-1998-№ 6.

5. Бирюков С. Микросхема К174ХА35, Радио-1996-№ 4.

6. Каранда Ю. Л. Универсальный стереодекодер, Радиоаматор-1998-№ 8.

7. Потачин И. УКВ приемник, Радио-2000-№ 6.

8. Выходец А. В., Дудка Н. П. Стереофонмчское радиовещание, Радиоаматор-2000-№ 1.

9. Федяев В. Е. Импортные микросхемы в радиотелефонах и радиостанциях, Радиоаматор-1997-№ 12.

10. Нечаев И. УКВ приставка к ДВ-СВ приемнику, Радио-1999-№ 10.

11. Гвоздев С. Микросхема К174ХА34, Радио.-1995-№ 10.

12. Аленин С. Двухсистемный стереодекодер КР174ХА51, Радио- 1999-№5.

В. Г. Никитенко, О. В. Никитенко, г Киев, РАДИОАМАТОР № 4, 2001

Назад