УКВ ЧМ приемник с низковольтным питанием и автоматической настройкой.

Опыт эксплуатации показывает, что недорогие девятивольтовые батареи типа «Крона» в радиоприемниках служат недолго, а улучшенные варианты этих батарей имеют относительно высокую стоимость. Ручная настройка частоты УКВ приемника обычно осуществляется изменением управляющего напряжения на варикапах. В простых приемниках для этого используется стандартный переменный резистор, и настройка в расширенном УКВ диапазоне (64-108 МГц) получается .очень острая. Кроме того, напряжение настройки в простых радиоприемниках не стабилизируется, поэтому по мере расходования батареи питания настройка «уходит». Эти особенности затрудняют «карманное» использование приемников и снижают реальное качество их работы.

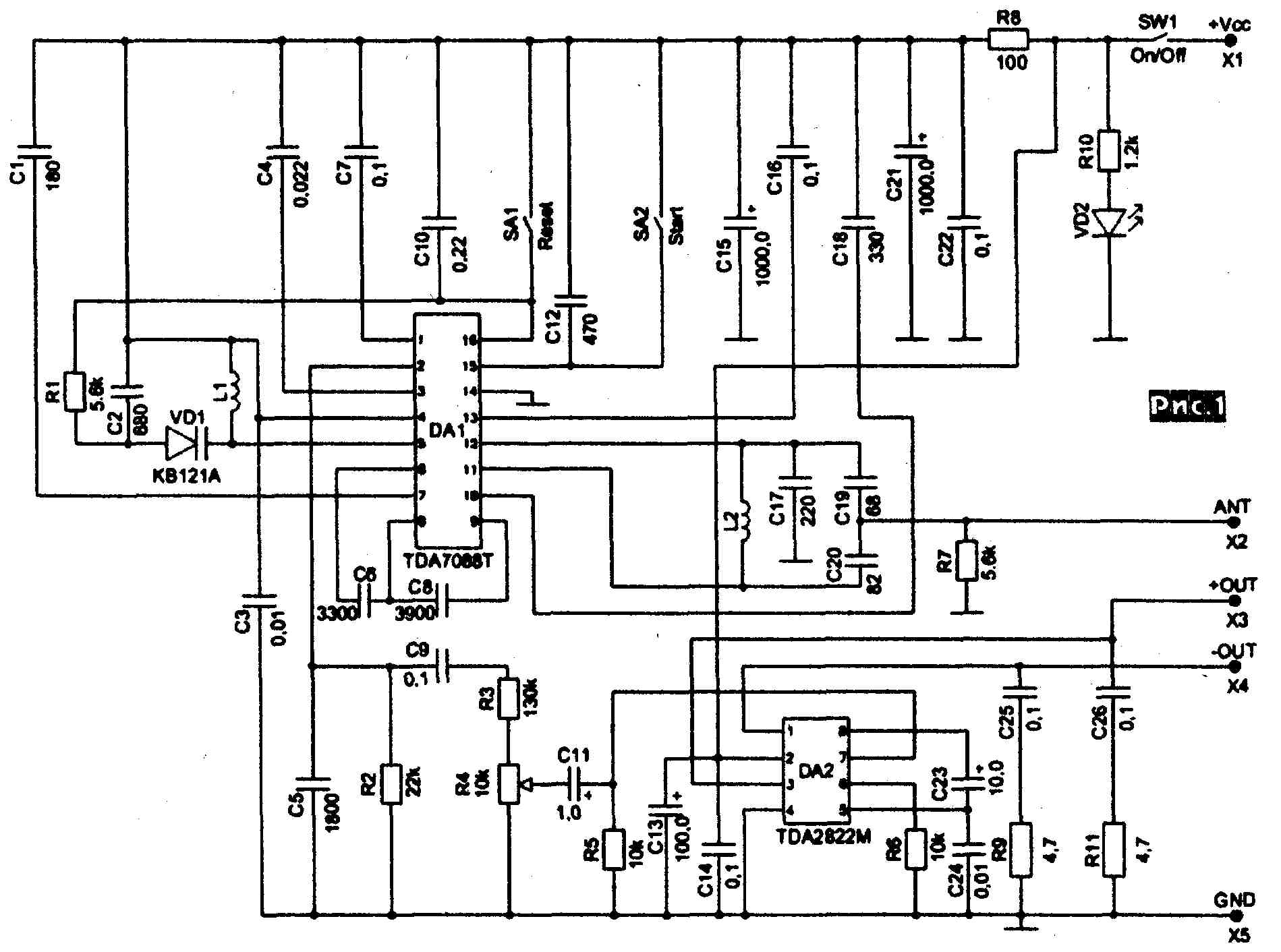
Новый набор «МАСТЕР КИТ» NM3201 представляет собой УКВ приемник (64-108 МГц) с автоматической перестройкой по частоте, низким питающим напряжением и простым управлением. К его особенностям можно отнести отсутствие механических элементов настройки, автоматическое слежение за частотой, возможность осуществления перестройки «вслепую», например, за рулем автомобиля. Принципиальная схема устройства приведена на рис. 1 и состоит из двух конструктивно объединенных частей - УКВ ЧМ тюнера и усилителя низкой частоты (УНЧ). УКВ ЧМ тюнер выполнен на микросхеме TDA7088T (производства фирмы PHILIPS), которая представляет собой монофонический приемник УКВ ЧМ радиовещания от антенного входа до выхода низкой частоты, выполненный в одном кристалле. Вне кристалла остались только перестраиваемый LC-контур гетеродина (L1, С2, VD1), входной LC-контур (L2, С19, С20), органы настройки (SA1, SA2) и управления (SW1, R4), а также небольшое количество внешних фильтрующих RC-цепей. Схема автопоиска ИМС TDA7088T содержит набор узлов, обеспечивающих быструю и точную настройку на радиостанцию, а схема автоматической подстройки частоты гетеродина (АПЧГ) обеспечивает удержание принимаемого сигнала и позволяет уверенно принимать выбранную радиостанцию при изменении уровня сигнала и температуры. При кратковременном отсутствии сигнала в тракте ПЧ, вызванном замираниями входного радиосигнала, состояние настройки сохраняется. Эти особенности делают данное устройство особенно привлекательным с точки зрения получения максимального качества и стабильности приема. Практические измерения параметров приемника на микросхеме TDA7088T показали, что схема АПЧГ успешно восстанавливает настройку приемника при отсутствии радиосигнала на входе в течение 3...5 секунд. Управление режимом автопоиска приемника осуществляется двумя кнопками «Reset» («Сброс») и «Start» («Настройка»). Нажатие на кнопку «Reset», устанавливает настройку приемника на начало диапазона. Каждое нажатие на кнопку «Start» запускает процесс перестройки и переводит настройку на следующую станцию вверх по диапазону. При достижении последней станции в диапазоне приема или для повторной настройки необходимо снова нажать кнопку «Reset», чтобы перейти на начало диапазона. УНЧ выполнен на микросхеме TDA2822 по мостовой схеме. Это позволило при низком напряжении питания получить высокую выходную мощность приемника на стандартном динамике.

Технические характеристики

Напряжение питания....................................................... 2,8 - 5 В

Ток потребления: мин./средн./максим. громкость ... 20/35/50 мА

Чувствительность не хуже ................................................ 5 мкВ/м

Диапазон принимаемых частот................................... 64-108 МГц

Выходная мощность УНЧ (Ucc=3 В, Рн=4 Ом) .................. 0,35 Вт

Коэффициент гармоник УНЧ.................................................. 0,2%

Конструктивно приемник выполнен на печатной плате 60х80 мм из фольгированного стеклотекстолита (М1:1  рис.2 и рис.3). Конструкция печатной платы позволяет установить вертикальные или горизонтальные кнопки «Reset» («Сброс»), «Start» («Настройка») и регулятор громкости R4. L1 и L2 - бескаркасные, содержат по 6 или 11 витков (диапазон принимаемых частот 88-108 МГц или 64-74 МГц) провода ПЭВ-0,6, намотанного на оправке 3 мм. Оптимальной антенной является штырь в виде отрезка изолированного провода длиной 1/4 длины волны средней частоты диапазона приема (80 см). Но, поскольку приемник обладает высокой чувствительностью, вполне достаточной оказывается антенна длиной 10-15 см.

РадиоХобби № 3, 2001

Григорий Ганичев, г.Москва

Назад