Идея собрать обзорный УКВ приемник родилась еще в 1993 году, когда в СНГ появились телевизионные селектора каналов с синтезатором частоты. Это открывало очень интересные перспективы, т.к. стабильность частоты этих селекторов весьма высокая и определяется только опорным кварцевым резонатором. Но любой телевизионный всеволновый селектор каналов (СКВ) имеет и такие недостатки, как:
1. Большой коэффициент перекрытия резонансных цепей по диапазону (всего 3 поддиапазона на 800 МГц). Это портит селективные и шумовые характеристики селектора.
2. Для разветвления входного сигнала по 3-м поддиапазонам приходится делать сложную систему согласования входных цепей поддиапазонов. Это неизбежно приводит к потерям и, поэтому, СКВ немного уступает по своим шумовым параметрам селекторам каналов метрового или дециметрового диапазона, хотя применяемые в нем входные усилители по паспортным данным имеют коэффициент шума 1,2 -1,4 дБ.
Масса других достоинств СКВ компенсирует эти недостатки и мы решили попробовать.
Первый приемник на литовском «цифровом» селекторе KS-H-62 был рассчитан для приема узкополосных ЧМ станций радиолюбительских диапазонов 144 и 430 МГц и испытан в 1994 году . Управляющая программа в то время была написана нашим другом А.Самусенко. Приемник имел очень неплохие характеристики:
- непрерывный диапазон от 50 до 850 МГц с шагом перестройки 62,5 кГц ;
- избирательность по зеркальному каналу – не хуже 70 дБ ;
- полоса пропускания по второй ПЧ 10,7 МГц была 15 кГц ;
- чувствительность около 0,5 мкВ ;
- нестабильность частоты при комнатной температуре не хуже + - 1 кГц\ в час на частоте 850 МГц ;
Узкополосный ЧМ детектор был выполнен на К174ХА6. Основную селекцию по ПЧ 10,7 МГц определял кварцевый фильтр ФП2П-307-10,7М-15. В дальнейшем, с появлением на УКВ новых интересных радиовещательных станций, приемник был доработан.
Новый приемник в первую очередь предназначен для качественного приема радиовещательных моно и стерео - станций европейского стандарта и звукового сопровождения телевизионных станций МВ и ДМВ диапазонов. В приемнике появился блок НЧ, позволяющий с достаточно хорошим качеством принимать стереовещание. Приемник рассчитан так, что его можно дорабатывать под конкретные условия, подключением дополнительных субмодулей на блоке ВЧ. Например, для приема узкополосных станций, нужно изготовить небольшой субмодуль, легко подключаемый к основному варианту. Это будет полезно радиолюбителям-ультракоротковолновикам и тем, кто занимается ремонтом радиотелефонов и радиостанций. Для крупных городов желательно улучшить избирательность по соседнему каналу, изготовив субмодуль дополнительного фильтра ПЧ. Для уменьшения габаритов этот субмодуль собран на ЧИП-элементах и впаивается в плату вместо одиночного пьезокерамического фильтра на блоке ВЧ. Диапазон принимаемых частот может быть расширен до 900 МГц, применением импортного селектора каналов, рассчитанного для приема в диапазоне ДМВ не до 60, а до 69 канала американского стандарта. Программа предусматривает такой вариант.
Основные характеристики приемника :
Чувствительность ( в наихудшей точке ) при соотношении с\ш 20 дБ – 2 мкВ (широкая полоса);
Чувствительность ( в наихудшей точке ) при соотношении с\ш 10 дБ – 0,5 мкВ (узкая полоса);
Диапазон принимаемых частот непрерывный от 50 до 850 МГц;
Избирательность по зеркальному каналу на частотах от 50 до 400 МГц - 70 дБ ,
от 400 до 850 МГц – 60 дБ ;
Полоса пропускания по первой ПЧ – 31,7 МГц по уровню – 3 дБ – 600 кГц;
Полоса пропускания по второй ПЧ – 10,7 Мгц по уровню – 3 дБ – 250 кГц;
Полоса пропускания по второй ПЧ – 10,7 Мгц по уровню – 20 дБ – 280 кГц;
Полоса пропускания по третьей ПЧ – 465 кГц по уровню – 3 дБ – 9 кГц;
Шаг перестройки по частоте – 50 кГц;
Выходная мощность НЧ при сопротивлении нагрузки 4 Ом - 2 х 15 Вт - номинальная ; 2 х 22 Вт – максимальная;
Диапазон частот тракта НЧ – от 20 Гц до 18 кГц при неравномерности АЧХ менее 3 дБ .
Коэффициент гармоник УНЧ (при выходной мощности 15 Вт) – 0,5 %;
Напряжение питания приемника – 16 В ( можно 12 В с соответствующим снижением выходной мощности);
Приемник имеет :
- удобную цифровую индикацию частоты настройки и уровней регулировок громкости , баланса , высоких и низких частот, номера вызванного канала ;
- 4 х 4 клавиатуру , позволяющую производить прямой набор частоты, запись и вызов 41 записанного канала , автоматический поиск станций вверх и вниз по частоте, перестройку по диапазону пошагово (шаг – 50 кГц) вверх или вниз ;
- режим «тихий прием»;
- переключение режимов «узкая \ широкая полоса»;
- управление аудио – регулировками (громкость, баланс, тембр НЧ, тембр ВЧ, комммутация на внешний аудио-вход, переключение аудио-эффектов: Linear Stereo (линейное стерео), Spatial Stereo (пространственное стерео), Pseudo Srereo (псевдостерео) и Forsed Mono (форсированное моно), а также при коммутации входов аудиопроцессор может работать в режиме Stereo, Stereo A и Stereo B.
- энергонезависимую память, в которой сохраняются вышеуказанные аудиорегулировки для каждого канала;
- индикацию уровня входного ВЧ сигнала ( S-метр);
- бесшумный поиск и переключение каналов ;
- дистанционное управление RC-5 пультом ;
- тихое прослушивание ( режим MUTE), при этом через отдельный усилитель для стереотелефонов происходит прослушивание программ эфира и обеспечиваются все аудиорегулировки, а оконечный каскад УНЧ - закрыт;
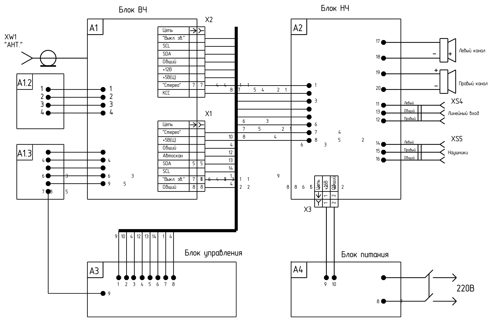
Блок-схема приемника:
Приемник состоит из четырех основных блоков (рис. 1) :
1. На блоке ВЧ (А1) находится всеволновый селектор каналов (А1.1). Блок осуществляет двойное преобразование частоты, частотное детектирование и усиление полученного напряжения НЧ или комплексного стереосигнала (КСС). Также здесь выполнены преобразователь напряжения 5 \ 31 В, схема бесшумной настройки, АРУ и S-метра. К блоку можно подключить субмодули узкополосного приема (А1.3) и дополнительного фильтра (А1.2).
2. Блок НЧ (А2) осуществляет декодирование стереосигнала, предварительное усиление, регулировку тембров НЧ и ВЧ, переключение стереоэффектов, усиление мощности НЧ и позволяет производить прослушивание программ через стереотелефоны, подключение внешнего источника сигнала к усилителю приемника, подключение аккустических систем с сопротивлением от 4 до 8 Ом к усилителю мощности приемника. На блоке также находятся три стабилизатора напряжения , необходимые для питания остальных блоков приемника.
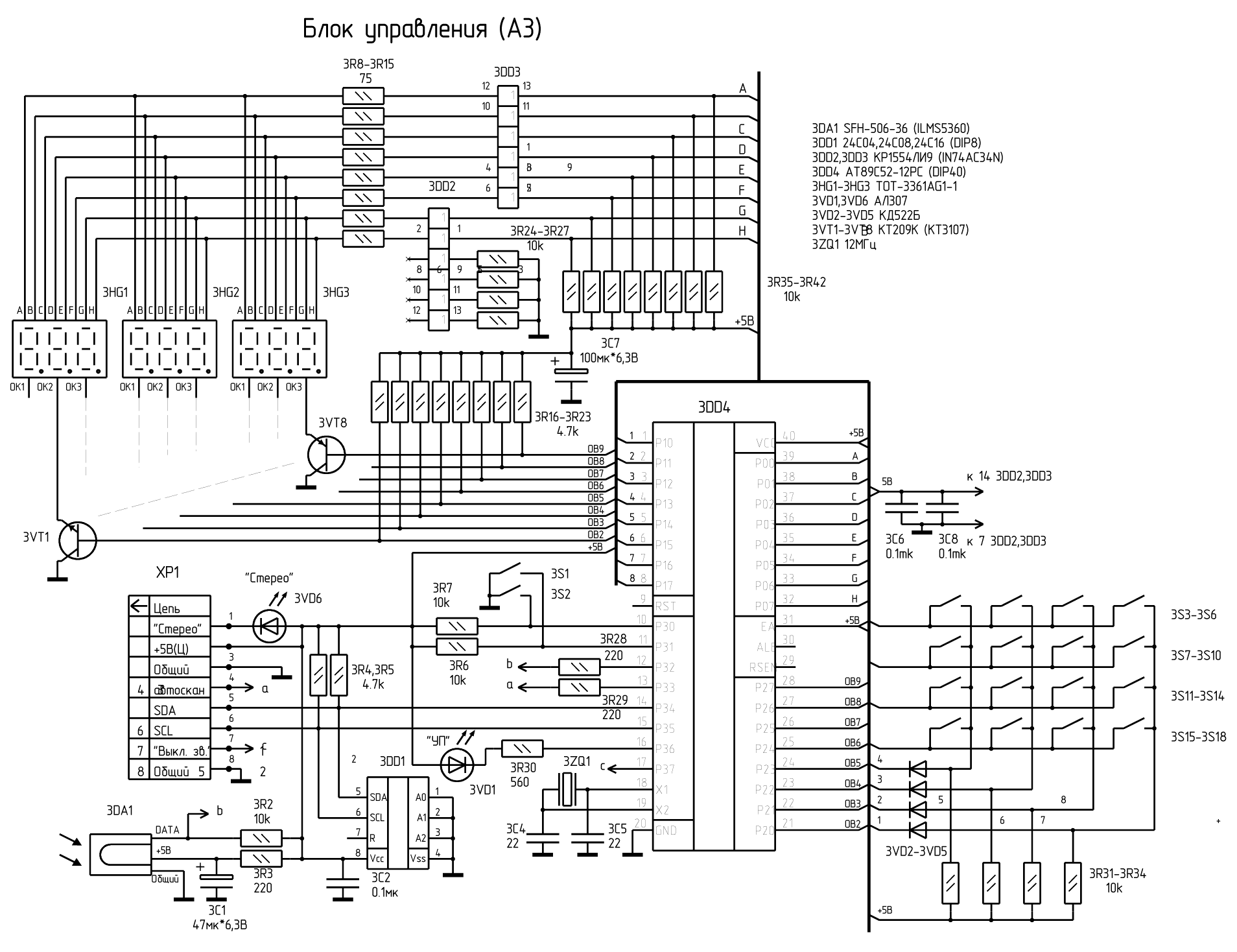
3. Блок управления (А3) имеет в своем составе микроконтроллер, формирующий шину управления I2C, 8- разрядную динамическую индикацию , клавиатуру 4х4 . Текущие настройки сохраняются в энергонезависимом ЭСППЗУ отдельно для каждой ячейки памяти. Все основные регулировки можно производить с пульта дистанционного управления с RC5 протоколом.
4. Блок питания формирует напряжение 16 В , необходимое для питания всего приемника . Максимальный ток нагрузки – до 4,5 А.
Рассмотрим электрическую принципиальную схему приемника:
Блок ВЧ (А1) :
Приемник (рис.2) построен по схеме супергетеродина с двойным (при узкополосном приеме, с тройным) преобразованием частоты. Первое преобразование осуществляет малогабаритный 5 В селектор каналов А1.1 – 5002PH5 (Temic) или KS-H-132 (Selteka) или СК-В-362 Д (Витязь), имеющий в своем составе синтезатор частоты. Селектор каналов управляется по шине I2C, формируемой блоком управления. К симметричному выходу селектора (выводы 9,10) подключен ПАВ- фильтр 1–й ПЧ 1ZQ1 УФП3П7-5.48 с центральной частотой , расположенной в интервале от 31,5 до 38 МГц (в нашем приемнике - это 31,7 МГц) и полосой пропускания по уровню – 3дБ около 800 кГц. Подобные фильтры используются в телевизорах с параллельным каналом звука и в небольшом количестве есть у авторов. Выход фильтра согласован катушкой 1L1 , которая создает с выходной емкостью фильтра колебательный контур, настроенный в резонанс на рабочей частоте. Это позволяет уменьшить потери в фильтре до 3- 4 дБ и сузить полосу пропускания по первой ПЧ до 500 – 600 кГц. Вместо ПАВ – фильтра можно применить 3-х контурный ФСС – с катушками связи на первом и последнем контурах . В этом случае лишь увеличатся габариты. Выходной импеданс селектора чисто активный и равен 100 Ом. Можно попробовать использовать здесь обычный фильтр 38 МГц на ПАВ с “двугорбой “ АЧХ , применяющийся в радиоканалах современных телевизоров, но из-за того , что полоса по 1-й ПЧ в этом случае будет около 7 МГц, видимо, возрастут шумы и упадет избирательность по соседнему каналу ( не проверялось). После фильтра 1-й ПЧ следует преобразователь частоты на 1DA1 К174ПС1 на выходе которого стоит фильтр 2-й ПЧ - 10,7 МГц , выполненный на одном пьезокерамическом фильтре 1ZQ2 и согласованный контуром 1L3,1L4,1C9 . Гетеродин микросхемы 1DA1 стабилизирован кварцевым резонатором 1BQ1 – 21 МГц , катушка 1L2 (3,9 мкГн) служит для точной подстройки частоты кварцевого резонатора . Отфильтрованный сигнал второй ПЧ поступает на 1DA2 К174ХА6, в которой происходит дальнейшее усиление, ограничение и детектирование ЧМ сигналов. Контур 1L7, 1C21 – контур квадратурного ЧМ детектора. Параллельно сигнал ПЧ заводится на схему АРУ, БШН, S-метра , собранную на транзисторах 1VT2 - 1VT6. Аналогичные внутренние цепи К174ХА6 при этом не используются т.к. из-за большого уровня входного сигнала , поступающего на ее вход они работают неэффективно. Схема на транзисторах имеет большой динамический диапазон и работает лучше. Отфильтрованный сигнал ПЧ усиливается резонансным каскадом на 1VT2, настроенным на 10,7 МГц, затем поступает на логарифмический детектор, выполненный на транзисторе 1VT4 и диоде 1VD4. При малых уровнях сигнала входное сопротивление каскада велико из-за высокого сопротивления закрытого диода 1VD4 в эмиттерной цепи 1VT4. Каскад работает как линейный детектор. С увеличением уровня сигнала начинает открываться диод 1VD4, входное сопротивление каскада падает и шунтирует входной сигнал. С этого момента каскад начинает работать как логарифмический детектор. Характеристику детектора можно изменять базовым смещением транзистора 1VT4 и подбором диода 1VD4. Выпрямленное напряжение интегрируется на 1C38 и сопротивлении 1R20 + входное сопротивление эмиттерного повторителя на 1VT5 . Напряжение, обратно пропорциональное входному сигналу, с выхода эмиттерного повторителя 1VT5 через делители на 1R25 и 1R28 поступает соответственно на вывод 1 селектора каналов (АРУ) и на ключевые каскады на транзисторах 1VT6 и 1VT3, в которых происходит двойная инверсия управляющего напряжения и приближение его к ТТЛ сигналу, служащему для управления шумоподавителем и остановкой автосканирования. Комплексный стереосигнал с вывода 7 К174ХА6 поступает на операционный усилитель 1DA4 КР544УД2. Усилитель почти в 3 раза усиливает КСС до уровня 300-600 мВ, необходимого для нормальной работы стереодекодера. На печатной плате блока ВЧ (А1) со стороны печати на ЧИП-элементах собран преобразователь 5В\31В на транзисторе 1VT1 . Преобразователь представляет собой автогенератор с рабочей частотой около 400 кГц. Эта схема отличается простотой, отсутствием самодельных моточных изделий ( используемые в схеме катушки 1L5, 1L6 – 1000 мкГн, являются покупными изделиями, производимыми многими фирмами и имеющимися в продаже в магазине «Чип и Дип» г.Москва ) и малым уровнем излучения. Главная задача этого преобразователя - получить напряжение на 1-2 В большее, чем требует синтезатор частоты в данной точке настройки. Поэтому на частоте 850 МГц напряжение на входе селектора будет около 33 В , а на частоте 50 МГц может быть 5- 7 В из-за увеличившейся нагрузки. Это надо учесть при настройке преобразователя . Лучше всего проверять его без селектора на холостом ходу. Напряжение холостого хода должно быть 35-40 В. Если нет желания собирать эту схему, то отлично подойдет отдельная обмотка на трансформаторе с выпрямителем и стабилизатором на КС531В. На принципиальной схеме блока ВЧ (А1) есть микросхема 1DD1 PCF 8583 – это часы, управляемые по шине I2C , но , к сожалению , в этой версии программы часы пока не задействованы. На печатной плате место под 1DD1 есть. В дальнейшем мы планируем ее использовать и при этом не потребуется никаких доработок схемы.
Детали и возможные замены :
1. Селектор каналов A1.1
Селектора могут отличаться друг от друга протоколом обмена по шине I2C , в зависимости от типа используемой микросхемы синтезатора частоты . В данном приемнике могут использоваться селектора с микросхемами серии TSA552x (Philips), позволяющие выбирать коэффициент деления опорного делителя. Нас интересует шаг 50 кГц или Ко = 640. Не меняя данной программы это позволяют делать следующие селектора каналов : 5002PH5 (Temic), KS-H-132 (Selteka) , СК-В-362 Д (Витязь). В них используется синтезатор частоты TSA5522. Есть и многие другие (например почти все селектора ф.ф. Temic, Philips с микросхемами TSA5520 и TSA5526), но для них придется корректировать управляющую программу под другой протокол обмена по I2С. Можно вообще отказаться от 5-ти вольтового селектора и использовать 12-ти вольтовый. По пртоколу обмена по шине I2C подойдут такие селектора как : KS-H-92 OL (Selteca), СК-В-164 Д (Витязь).
В этом случае придется отказаться и от системы АРУ, т.к. с этими селекторами АРУ должна быть 9-ти вольтовая. Распайка выводов и габариты этих селекторов также отличаются от 5-ти вольтового варианта. Чувствительность и селективность приемника при этом не изменятся.2.Катушки индуктивности :
1L1 – 25 витков провода ПЭВ2 - 0,25 на каркасе Ф5мм с подстроечным сердечником из карбонильного железа или ВЧ дроссель с индуктивностью 2,2 мкГн (для фильтров , используемых авторами) .
1L3 , 1L4 – стандартная катушка со встроенным конденсатором ф.TOKO или аналогичная с цветной маркировкой сиреневого или оранжевого цвета . Такие катушки можно приобрести на радиорынках или выпаять из любой поломанной «мыльницы» китайского производства. Ее можно намотать самому - 24 витка и 4 витка соответственно на 4-х секционном стандартном полистироловом каркасе с экраном , применяющемся в телевизорах 4-го, 5-го поколений . Катушка 1L4 расположена в одной из секций поверх 1L3. 1L7 – Стандартная катушка со встроенным конденсатором ф.TOKO или аналогичная с цветной маркировкой зеленого или розового цвета . Ее можно намотать самому - 24 витка на 4-х секционном стандартном полистироловом каркасе с экраном , как и катушки 1L3 , 1L4. 1L5 , 1L6 – высокочастотные дроссели EC24-102K – 1000 мкГн +-10%. 1L2 , 1L8 – высокочастотные дроссели EC24-3R9K – 3,9мкГн +-10%. 1L2 можно использовать такую же как и 1L1.3. Резонаторы и фильтры :
Резонатор 1BQ1- 21 МГц, 1BQ2 – 32768 Гц. 1ZQ1- описан выше. 1ZQ2 - малогабаритный пьезокерамический фильтр на 10,7 МГц– (например L10,7MA5 ф.TOKO).
4. Полупроводники :
1VT1 – КТ315 с любой буквой , 1VT3, 1VT4, 1VT6 - КТ3102 с любой буквой. 1VT2 – КП303Б,Г,Е, КП307Б,Г. 1VT5-КТ3107 с любой буквой. Все диоды – КД521,КД522 с любыми буквами.
5. Резисторы :
Постоянные - С1-4 0,125 или МЛТ – 0,125, подстроечные - СП3-38Б.
6. Конденсаторы :
К10-17Б - М47 , К50-53 – 6,3В; 10В.
7. Разъемы :
XS1, XS2- OWF-8.
Субмодуль дополнительного фильтра (А1.2) :

Если в вашей местности можно принимать более 7-10 станций в «верхнем» радиовещательном диапазоне, то для повышения избирательности по соседнему каналу печатная плата предусматривает установку более сложного фильтра ПЧ на двух пьезокерамических фильтрах (рис 3). Суммарное затухание в этом фильтре равно 6-8 дБ и определяется апериодическим компенсирующим усилителем, выполненным на DA1 S595 (ф.Temic). Усиление каскада должно компенсировать потери во втором фильтре ZQ2 и его можно подобрать резистором R1. Увеличивать усиление и компенсировать потери двух фильтров не имеет смысла , т.к. после селектора каналов, имеющего коэффициент усиления не менее 40 дБ и К174ПС1 – 20 дБ, уровень сигнала второй ПЧ – единицы и десятки милливольт. Фильтр с компенсирующим усилителем выполнен на ЧИП-элементах и собран на отдельной плате, которая запаивается вертикально вместо одиночного фильтра (точки 1,2,3). Питание +5В заводится на эту плату навесным монтажным проводником, с расположенной рядом перемычки на блоке ВЧ (точка 4).
О деталях:
Полупроводники :
Усилитель DA1 S595T (Temic) можно заменить на S593T, S594T, S886T, BF1105 (Philips) (данный усилитель является микросхемой, состоящей из двухзатворного полевого транзистора с внутренними цепями смещения по первому затвору и истоку. Широко применяется во входных цепях современных селекторов каналов).
Фильтры :
ZQ1, ZQ2 - малогабаритные пьезокерамические фильтры на 10,7 МГц– (например L10,7MA5 ф.TOKO). L1 – ВЧ-дроссель EC24-3R9K- индуктивностью 3,9 мкГн. Можно применить любую ЧИП или МОИ катушку (например производства ПО “Монолит” г. Витебск с индуктивностью от 2,2 до 4,7 мкГн. ) для уменьшения габаритов субмодуля.
Субмодуль узкополосного приема (А1.3) :

Радиоприемник позволяет вести прием станций с узкополосной ЧМ. Для этого нужно изготовить субмодуль узкополосного приема. Принципиальная схема субмодуля приведена на рис 4. Узкополосный приемник на микросхеме MC3361 не имеет особенностей и собран по типовой схеме, неоднократно описанной в литературе. Он позволяет качественно принимать радиостанции с девиацией частоты от 1 до 5 кГц. Этот блок выполнен на отдельной печатной плате и может не изготавливаться. Коммутация ШП\УП осуществляется процессором блока управления , при нажатии кнопки 3S1 или с ПДУ. При этом включается светодиод 3VD1, логический “0” с P3.6 (точка 9) процессора открывает транзистор VT1 субмодуля , который управляет реле K1 субмодуля. На вход операционного усилителя 1DA4 через свободноразомкнутые контакты реле K1 поступает НЧ сигнал с MC3361 , где он также усиливается (вход 10,7 МГц все время подключен и не коммутируется). При подключении данного блока нужно удалить перемычку J1 на блоке ВЧ. На печатной плате эта перемычка выполнена в виде зазора на печатном проводнике между 7 выводом 1DA2 и 1C36 и легко устанавливается или не устанавливается каплей припоя во время пайки. По-возможности коротким, коаксиальным кабелем соедините 9 точку блока ВЧ с 8 точкой субмодуля. Дальнейшее прохождение НЧ сигнала через стереодекодер никак на качестве сигнала не отражается. Узкополосные станции можно принимать и на основном варианте приемника, не изготавливая специальный субмодуль. Для этого нужно увеличить до 10 кОм резистор 1R8 (не забывая уменьшать его при приеме радиовещательных станций ) на блоке (А1). Этот резистор позволяет менять крутизну дискриминатора, благодаря чему можно получить больший уровень НЧ сигнала от малой девиации . При этом нужно смириться с плохой работой шумоподавителя из-за малых уровней ВЧ сигнала узкополосных станций и ,все же, малым уровнем НЧ сигнала. Резистором R6 устанавливается порог срабатывания шумоподавителя. Если недостаточен шаг перестройки по частоте 50 кГц, то в субмодуле можно ввести плавную настройку +-25 кГц , удалив кварцевый резонатор BQ1 на 10,235 МГц ,конденсатор C4 и подав на 1-й вывод микросхемы DA1 сигнал от отдельного плавного генератора с уровнем 100-200 мВ и частотой от 10210 кГц до 10260 кГц.
О деталях: Полупроводники : DA1- MC3361 ее можно заменить на KA3361, с изменением схемы и печатной платы – на К174ХА26, MC3359, MC3371, MC3362. Транзистор VT1- КТ3107, КТ209. Резонаторы и фильтры :
ZQ1 – пьезокерамический фильтр на 465 кГц. Здесь подойдет любой отечественный или импортный от радиоприемников.
BQ1 - кварцевый резонатор 10,235 МГц .
L1 - стандартная катушка со встроенным конденсатором С12 ф.TOKO или аналогичная на частоту 465 кГц с маркировкой желтого цвета.
Блок НЧ (А2) :
С 8 контакта разъема XP2 КСС поступает на схему стереодекодера, выполненную на микросхеме 2DA1 LA3375 блока НЧ (рис.5). Первоначально в схеме использовался более дешевый стереодекодер TA7343P, но он не выдерживал никакой критики – каскады следующие за ним перегружались мощной поднесущей - 19 кГц, которая проявлялась только на стерео станциях и на осциллографе была больше полезного сигнала в 3(!) раза. Только LA3375 - полностью решила эту проблему. Схема включения LA3375 – типовая. Выход этой микросхемы дополнительно можно использовать как линейный выход приемника. Далее низкочастотный стереосигнал поступает на аудиопроцессор 2DA2 TDA8425 (Philips), где происходят усиление , частотная коррекция и все регулировки звукового сигнала. Затем НЧ сигнал поступает параллельно на усилитель мощности 2DA6 TDA1552Q и на усилитель стереотелефонов 2DA5 TDA7050 . Питание 5В этой микросхемы (максимум 6 В , а не 16 В как указано в некоторых справочниках) стабилизировано отдельным малогабаритным стабилизатором КР1157ЕН5А (78L05) 2DA5 . Микросхема TDA1552Q имеет вывод MUTE , который управляется процессором блока управления через транзистор 2VT1 с задерживающей RC цепочкой 2R17,2C43,2C45 и позволяет производить абсолютно бесшумное переключение каналов. В приемнике режим MUTE одновременно включается и в оконечном УНЧ и по шине I2C для аудиопроцессора. В телефонах будет прослушиваться слабый щелчок при переключении каналов из-за того , что режим MUTE аудиопроцессора более инерционный, так как выбирается по шине I2C. Блок имеет дополнительный линейный НЧ вход (XS4) и может использоваться как обычный усилитель мощности с удобным сервисом. При этом можно включать режим, в котором сигнал из одного входного канала А или В поступает сразу на два канала усилителя. Стабилизаторы 2DA4, 2DA7 позволяют максимально избавиться от помех процессора и динамической индикации и служат для питания аналоговой и цифровой частей схемы соответственно.
Детали и возможные замены :
1. Полупроводники - 2VT1 - КТ3102 с любой буквой. Вместо мостового УНЧ 2DA6 TDA1552Q можно применить аналогичные -TDA1553Q, TDA1557Q добавив на вывод 12 конденсатор 100 мкФ –16 В. Место под него есть на печатной плате. 2DA3 - малогабаритный стабилизатор напряжения 78L05 или КР1157ЕН5А.
2. Резисторы постоянные - С1-4 0,125 или МЛТ – 0,125, переменные - СП3-38Б.
3. Конденсаторы : К10-17Б - М47 , К50-53 -16 В . 2С32, 2С37- К50-53 – 25 В.
4. Разъемы : XP2- OHU-8 .
Блок управления (А3) :
Блок управления (рис.6) выполнен на микроконтроллере AT89C52-12 PC 3DD4 с 8 кБ внутренним ПЗУ и формирует сигналы управления по шине I2C для управления селектором каналов 1А1 (блок ВЧ (А1)) , аудиопроцессором TDA8425 2DA2 (блок НЧ (А2)), энергонезависимым ПЗУ 3DD1 (в дальнейшем и однокристальными часами 1DD1 PCF8583 ). Блок управления имеет клавиатуру 4х4 3S3- 3S18 + 2 дополнительных кнопки 3S1, 3S2 , 9– разрядный светодиодный индикатор 3HG1-3HG3 TOT3361AG (используются только 8 разрядов), светодиоды 3VD6 - “СТЕРЕО”, 3VD1 –“УЗКАЯ ПОЛОСА”, фотоприемник 3DA1. Мощные повторители КР1554ЛИ9 3DD2, 3DD3 служат для увеличения нагрузочной способности порта процессора P0. При включении «тихого проиема» - отключается динамическая индикация , служащая источником помех. При включении режима «УЗКАЯ ПОЛОСА» включается светодиод 3VD1, управляющий сигнал с этого же вывода микроконтроллера поступает на субмодуль узкополосного приема и происходит коммутация выходов НЧ микросхем К174ХА6 и MC3361.
Сигналы , выходящие с блока управления :
последовательная двухпроводная шина I2C ( SDA, SCL);
сигнал MUTE – управляет выходным УНЧ TDA1552Q;
сигнал коммутации УП\ШП
Сигналы входящие на блок управления :
управление светодиодом “СТЕРЕО”;
сигнал опознавания несущей;
+5В digital;
Блок не требует никакой настройки и при правильном монтаже работает сразу . Нужно только занести в память текущие настройки – об этом ниже.
Немного о деталях блока :
1. Полупроводники :
3VT1-3VT8- КТ3107, КТ209.
3VD1, 3VD6 –АЛ307, 3VD2-3VD5- КД521,КД522.
3DD2-3DD3 КР1554ЛИ9,IN74AC34N.
3DD1- 24C04 (любое энергонезависимое ЭСППЗУ емкостью 1кБ, управляемое по шине I2C).
3DA1 SFH-506-интегральный фотоприемник. Можно применить любой от телевизоров 5-6 поколений или импортного, например ILMS5360.
3DD4 – AT89C52-12PC или любой из этого семейства с 8 кБ памятью.
2.Кнопки : 3S1-S18 – ПКН-159 или TS-A1PS-130.
3. Резонатор : – от 10 до 12 МГц любого типа.
4. Резисторы : - С1-4 0,125 или МЛТ – 0,125, СП3-38Б.
5.Конденсаторы : К10-17Б - М47 , К50-53 – 6,3 В.
6.Разъемы : XP1- OHU-8 .
Блок питания (А4) :
Полученные параметры источника питания:
Ток нагрузки - 4А
Напряжение – 16В
Нестабильность напряжения при импульсном токе нагрузке 4А – не более 0,1 В.
Излучение помех даже при непосредственной близости от приемника и без экранирования не выявлено ни по низкой частоте, ни на рабочих частотах приемника. Спектр помех сосредоточен в районе 8-9 МГц с уровнем около 500 мкВ на расстоянии 0,5 см от импульсного трансформатора. Данный блок питания решено было сделать по однотактной схеме и выжать из него максимум мощности и минимум излучения помех. Принципиальная схема источника питания приведена на рис.7. Управление выполнено на очень распространенной и дешевой микросхеме 4DA2 UC3844 или UC3842. Ключевым элементом является МОП-транзистор 4VT1 (BUZ 90, КП707Г, IRFBC40) .Токовая обратная связь снимается с истока 4VT1. Контроль выходного напряжения осуществляет стабилизатор параллельного типа 4DA2 TL431 (КР142ЕН19). Обратная связь по напряжению с развязкой первичной и вторичной цепей производится через оптопару 4DA1 АОТ128А (4N35). Выпрямитель вторичной цепи выполнен на двойном диоде Шоттки 4VD8, 4VD9 КДС638А. Трансформатор фильтра питания 4T1 изготовлен на ферритовом кольцевом магнитопроводе К20х12х6 М3000НМС. Трансформатор 4Т2 изготовлен на импортном магнитопроводе с каркасом ф. Epcos и состоит из 3-х частей ( описан в журнале «Радио» N11 2001 г. и продается в магазине «Чип и Дип» г. Москва) :
1.B66358 – G –X167, феррит N67 ETD29EPCS (2 половинки с зазором 0,5 мм);
2.B66359-A2000 , стяжка трансформатора ETD29EPCS;
3.B66359-B1013-T1 , каркас трансформатора ETD29EPCS;
Данные по намотке трансформаторов : 4T2- обмотка 7 - 13 мотается в 2 слоя по 34 витка, равномерно уложенных по всей длине каркаса проводом ПЭВ 2-0,4 . Обмотка 9 – 12 и 4 –5 уложены между слоями обмотки 7-13. Обмотка 9-12 содержит 9 витков провода ПЭВ 2-0,4, уложенных равномерно по всей длине каркаса. Обмотка 4-5 мотается в два провода и содержит 10 витков провода ПЭВ 2-0,63, уложенных равномерно по всей длине каркаса. Конструктивно источник питания состоит из двух печатных плат – платы управления и силовой платы. На схеме точки их соединения указаны соответственно пронумерованными точками. Например 1-1 . Для уменьшения габаритов, обе платы расположены на стойках одна над другой . Напряжение обратной связи с выхода источника питания на цепи контроля 4R19-4R21, 4DA2 подается коротким экранированным проводом. Других особенностей источник питания не имеет и при правильной сборке начинает работать сразу.
НАСТРОЙКА ПРИЕМНИКА
Для настройки приемника авторами использовались следующие приборы:
ВЧ генератор Г4-176;
Осциллограф С1-99 (С1-120);
Измеритель АЧХ Х1-48;
НЧ генератор Г3-112;
HP ESA-L1500A – анализатор спектра.
Блок ВЧ (A1):
Не запаивая выходы селектора каналов в плату, нужно один из входов фильтра соединить с общим проводом, а на второй подать ЧМ сигнал частотой 31,7 МГц с амплитудой 50 мВ и девиацией 50 кГц. Подать питание 8-9 Вольт на вход стабилизатора 1DA3. Осциллографом контролировать вывод 18 1DA2. Подстроечными сердечниками катушек 1L1и 1L3 нужно добиться максимальной амплитуды сигнала на входе микросхемы К174ХА6. В зависимости от используемого фильтра 1-й ПЧ, 1L1 можно заменить постоянной ВЧ катушкой от 1,5 до 3,9 мкГн (по максимальному резонансу), такого же типа как и 1L2, 1L5, 1L6, 1L8 . Дополнительным признаком неточной настройки контуров может служить появление АМ модуляции ВЧ сигнала, которая отлично видна на осциллографе в более медленном времени развертки. Щуп осциллографа нужно подключить к точке соединения конденсатора 1C33 с резистором 1R13 и добиться максимума размаха 10,7 МГц в этой точке подстройкой конденсатора 1C31. Осциллографом проконтролировать выход КСС на контакте разъема XS2. НЧ сигнал должен иметь правильную синусоидальную форму. Добиться неискаженной формы НЧ сигнала нужно подстройкой катушки дискриминатора 1L7 , при этом осциллографом с закрытым входом нужно контролировать вывод 7 микросхемы 1DA2 Проконтролировать осциллографом коллектор транзистора 1VT1 преобразователя 5В/31В. Если каскад работоспособен, то на коллекторе должна быть синусоида с частотой около 400 кГц и размахом 15-20 В. Если генерации нет, то 80 % вероятности, что у Вас обрыв одной из катушек 1L5, 1L6 или поломан один из ЧИП–конденсаторов. 20 % вероятности , что один из конденсаторов не соответствует номиналу. После этого можно подключить селектор каналов и подать входной сигнал амплитудой 50 мВ, частотой - 100 МГц на его ВЧ вход. Девиация частоты 50 кГц. Высокоомным вольтметром или осциллографом проконтролируйте вывод 1 селектора (напряжение АРУ). Подстроечным резистором 1R25 установите напряжение 3,5-4 В без входного сигнала и при входном сигнале 50 мВ напряжение должно снизиться до 1,5 – 2 В. Если напряжение не устанавливается ниже 2,5 В , то нужно добиться большей амплитуды 10,7 МГц на стоке транзистора 1VT2, подстройкой триммера 1C31 или заменой транзистора 1VT2 на транзистор с большей крутизной S . В редких случаях требуется подбор резистора 1R15. Снижайте напряжение генератора ВЧ до 10 – 15 мкВ . Подстроечным резистором 1R28 нужно добиться четкого срабатывания системы БШН при включении и выключении ВЧ сигнала . Автоматически этим же подстроечным резистором устанавливается и порог срабатывания остановки сканирования. Сканирование останавливается по появлению несущей, обычно, в 2-3 шагах от центральной частоты вещательной радиостанции . В связи с этим точная настройка на радиовещательные станции производится вручную. Подстроечным резистором 1R21 можно откалибровать S-метр в удобных для Вас единицах. Например по 9 –ти бальной S – шкале, принятой у радиолюбителей на коротких волнах ( так как данный приемник близок по чувствительности к КВ , а не к УКВ аппаратуре). Тогда максимальным уровнем сигнала можно взять 9 + 60 дБ, что соответствует напряжению на входе селектора 50 мВ (если будет использоваться коллективная ТВ антенна , то такие уровни вполне возможны) . 9 баллов+40 дБ – 5 мВ , 9+20 дБ – 500 мкВ, 9 баллов – 50 мкВ, 8- баллов – 25мкв и так далее через 6 дБ . Менее 5 баллов не стоит калибровать т.к. это уже на пороге чувствительности системы АРУ. Можно посмотреть сквозную АЧХ приемника, подав на вход селектора сигнал с ГКЧ измерителя АЧХ Х1-48 на частоте 100 МГц. Метки измерителя выставить 1+ 0,1 МГц . Детекторной ВЧ головкой контролировать 18 вывод 1DA2. АЧХ должна иметь правильную колоколообразную форму без изломов и выступов (можно двугорбую с провалом не более 2-3 дБ) с центром на частоте 100 МГц . АЧХ не должна изменять форму при уровнях входного сигнала от –60 дБ до –30 дБ . Форму АЧХ можно слегка подкорректировать подстроечными сердечниками катушек 1L1 и 1L3. Если не удается добиться требуемых параметров, то нужно выбрать пьезокерамические фильтры 4ZQ1, 4ZQ2 из одной партии. В случае установки одиночного пьезофильтра 1ZQ2 требования к нему упрощаются. Катушка 1L2 позволяет точно выставить частоту 21 МГц. На печатной плате предусмотрен вариант установки как стандартного дросселя (3,9 мкГн), так и катушки с подстроечным сердечником, выполненной по таким же данным как и 1L1. Это необходимо, чтобы точно попадать в канал, если используется узкополосный блок. Для получения точной частоты ГУНов желательно также точно выставить частоту опорного генератора 4 МГц синтезатора частоты селектора каналов. Настройку опорного генератора лучше всего проводить в режиме узкополосного приема, на самой высокой рабочей частоте селектора каналов - 850 МГц. Настройте приемник на эту частоту в режиме узкополосного приема . Возможно реальная частота настройки будет отличаться на +- 30 – 40 кГц - найдите ее, подстраиваясь генератором. Уровень сигнала с генератора Г4-176 около 50 мкВ, девиация частоты 5 кГц. Аккуратно отпаяйте или снимите верхнюю и нижнюю крышки селектора . Найдите кварцевый резонатор . Со стороны печати найдите чип – конденсатор , включенный последовательно с резонатором . Нужно подобрать его емкость в пределах от 18 до 22 пФ ЧИП-конденсаторами по 1-2 пФ (чаще всего подпаивая параллельно основному ) и при этом подстраивать частоту ВЧ генератора до тех пор, пока не добьетесь «попадания в канал». При узкополосном приеме это хорощо слышно. Если есть возможность воспользоваться анализатором спектра, то все упрощается. Нужно «увидеть» частоту ГУНа и выставить ее подбором конденсаторов с точностью +- 1кГц. Эту работу лучше проделывать паяльником с жалом около 2 мм диаметром. Мы добиваемся таким методом несоответствия частоты не более +- 500 Гц на 850 МГц, что вполне достаточно. Если вы не имеете опыта работы с ЧИП-элементами, то лучше эту работу не проделывать , а смириться с тем , что частота на индикаторе возможно будет немного отличаться от реальной ( на частотах до 200 МГц не более 2-3 кГц – зависит от СКВ) . В этом случае можно изготовить плавный генератор 10,235 МГц, который компенсирует несовпадение частот и позволит принимать станции, не попадающие в 50-кГц шаг.
Субмодуль дополнительного фильтра (A1.2) :
В настройке не нуждается.Приустановке в приемник, нужно убедиться в правильной работе субмодуля. Это можно сделать осциллографом или измерителем АЧХ. Если на входе и выходе субмодуля напряжение ПЧ 10,7 МГц примерно одинаково, то схема исправна. Форму АЧХ можно корректировать подстройкой контура 1L3, 1L4, 1C9 на блоке ВЧ.
Субмодуль узкополосного приема (A1.3) :
Субмодуль настраивается до установки в приемник. На вход (точка 8) нужно подать ЧМ сигнал частотой 465 кГц, девиацией – 3 кГц, амплитудой - 10 мкВ. Вся настройка заключается в настройке контура L1 до достижения максимальной амплитуды НЧ сигнала на выходе субмодуля (14 вывод DA1). Затем в составе приемника нужно установить порог срабатывания шумоподавителя резистором R6. Для этого нужно подать на вход приемника сигнал с генератора частотой 145 МГц, амплитудой 20 мкВ, девиацией 3 кГц, включая и выключая выходное напряжение генератора. Шумоподавитель должен устойчиво срабатывать при подаче входного сигнала около 0,5 - 1 мкВ.
Блок НЧ(A2):
В этом блоке нуждается в настройке только стереодекодер. За неимением стереомодулятора, стереодекодер мы настраивали по сигналу радиостанции. Настройте приемник на станцию со стереовещанием в диапазоне 88-108 МГц. Вращением подстроечного резистора 2R12, добейтесь включения светодиода 3VD6 «СТЕРЕО» на плате управления. Установите резистор в середину зоны захвата. Установите щуп осциллографа на любой из выходов стереотелефонов блока НЧ и, вращением подстроечного резистора 2R3, добейтесь по осциллограмме наибольшего подавления поднесущей 19 кГц. Это можно проделать и без осциллографа - на слух. Резкое исчезновение искажений будет свидетельствовать о правильной настройке. Выберите самую качественную стереостанцию на диапазоне и, вращением подстроечного резистора 2R1, добейтесь максимального разделения стереоканалов, что субъективно выглядит как увеличение глубины стереобазы. Рекомендуем настройку стереодекодера на слух, вести с использованием стереотелефонов.
Блок управления (A3):
Блок в настройке не нуждается . Хочется только поделиться опытом использования интегральных фотоприемников. Часто среди них попадаются экземпляры, которые самопроизвольно вырабатывают одиночные импульсы. При использовании их в телевизорах этот дефект никак себя не проявляет, а в данной схеме происходит мерцание индикаторов в ответ на каждый импульс. При замене фотоприемника на качественный, все неприятные эффекты исчезают. Осциллографом эта паразитная генерация легко выявляется.
Блок питания (A4):
В настройке не нуждается.
На этом настройка всего приемника закончена.
РАБОТА С ПРИЕМНИКОМ:
Клавиатура :
состоит из 18 кнопок с условными номерами от 0 до 18 .
Рассмотрим все кнопки.

1 - во время набора частоты и номера канала для записи – число 1. В рабочем режиме – регулировка «-» стереобаланса (bL) .
2 -во время набора частоты и номера канала для записи – число 2. В рабочем режиме – регулировка «+» стереобаланса (bL).
3 -во время набора частоты и номера канала для записи – число 3. В рабочем режиме – регулировка «-» громкости (VOL).
4 - во время набора частоты и номера канала для записи – число 4. В рабочем режиме – регулировка «+» громкости (VOL).
5 -во время набора частоты и номера канала для записи – число 5. В рабочем режиме – регулировка «-» тембра ВЧ (Hi).
6 -во время набора частоты и номера канала для записи – число 6. В рабочем режиме – регулировка «+» тембра ВЧ (Hi).
7 -во время набора частоты и номера канала для записи – число 7. В рабочем режиме – регулировка «-» тембра НЧ (LO).
8 -во время набора частоты и номера канала для записи – число 8. В рабочем режиме – регулировка «+» тембра НЧ (LO).
9 -во время набора частоты и номера канала для записи - число 9. В рабочем режиме – коммутация линейный вход \ приемник. Можно коммутировать моно сигнал из любого канала в два канала (Stereo, Stereo A, Stereo B).
10 - во время набора частоты и номера канала для записи – число 0. В рабочем режиме – выбор стереоэффектов ( LIN STEREO – нормальное стерео, SPATIAL STEREO – эффект театра , PS STEREO – псевдостерео, FORCE MONO - моно на два канала .)
11 – кнопка «Н» - включает режим набора частоты.
12 – кнопка «П» - запись в память текущей частоты и аудиорегулировок для каждого канала.
13 – настройка по 50 кГц вниз .
14 – настройка по 50 кГц вверх.
15 – перебор по записанным ячейкам памяти - на одну назад .
16 – перебор по записанным ячейкам памяти - на одну вперед .
17 – кнопка “УП\ШП” – включает режим узкополосного приема .
18–кнопка “СКАНИРОВАНИЕ” – включает режим сканирования.
При включении приемника появляется надпись SEC850.
Набор частоты:
нажмите кнопку 11, на индикаторе появится Н - - - - - набирайте частоту .
- если частота меньше 100 МГц , то нужно набирать первый ноль например (071,50 - на индикаторе он не индицируется - 71,50;
- если вы ошиблись , то повторно нажмите кнопку 11 и набирайте еще раз ;
- перед записью в память установите регулировки в нужное положение, чтобы они также были занесены в память для каждого из записанных каналов.
Установка регулировок :
- используя кнопки с 1 по 10 установите значения регулировок на каждом канале , которые будут вызываться при включении приемника.
Запись в память :
- нажмите кнопку 12 , на индикаторе появится : - - 71,50 вместо прочерков нужно ввести двухразрядный номер ячейки ( от 00 до 40, при наборе номера канала более 40 по умолчанию записывается канал с номером 40) например :00 – эта ячейка вызывается при включении.
получим : 71,50 (первые нули не индицируются).
- поочередно вызывая режимы набора частоты и занесения в память - запишите все частоты радиостанций , которые Вас интересуют (от 0 до 40) .
- удалить из памяти частоту можно, записав в эту ячейку во все разряды цифру 0 при этом происходит полная программная переинициализация приемника.
Режим сканирования :
- SCAN –
- нажмите кнопку 13 или 14 в зависимости от того в какую сторону нужен поиск – вверх или вниз по частоте;
- выйти из режима сканирования можно , нажав еще раз кнопку 18;
Примечание – режим сканирования является дополнительным , поэтому он выполнен по простейшему алгоритму – поиск несущей . Для точной настройки на радиовещательные станции нужно использовать кнопки 13 и 14.
Режим узкополосного приема :
- данный режим включается нажатием кнопки 17 или соответствующей кнопкой «AV» ПДУ. При этом включается светодиод 3VD6 на блоке управления. При повторном нажатии на кнопку 17, приемник возвращается в режим широкополосного приема.
Работа с ПДУ:
-программа написана для кнопок ПДУ-7 от телевизоров «Витязь», но основные функции будут работать на любом ПДУ с RC-5 протоколом;
- кнопки «0 – 9» вызывают соответствующий номер записанной ячейки памяти;
- кнопка «OK» – выбор регулировок : громкость , баланс, тембра;
- кнопки «P+ » и «P- » - перебор по кольцу ячеек памяти вверх или вниз;
- красная , зеленая, оранжевая и синяя кнопки – выбор стереоэффектов;
- «ESC» – сброс, программная переинициализация приемника ;
- «PP» - установка всех регулировок в среднее положение;
- кнопка выключения звука – тихое прослушивание через стереотелефоны;
- кнопка «i » - переключение входов 1 \ 2;
- кнопки «+» и «-» в нижнем ряду - перестройка по частоте вверх или вниз по 50 кГц;
- кнопка «выключение сети» – включение тихого режима;
- кнопка «фиксация страницы телетекста» - включение автосканирования ;
- кнопка «AV»– включение узкополосного приема;

Конструктивно приемник выполнен на четырех основных и двух дополнительных печатных платах в соответствии с разбивкой на блоки по принципиальной схеме. Корпус специально не разрабатывался, т.к. не всех устраивает импульсный источник питания. Для линейного источника питания с мощностью около 70 Ватт нужен уже другой корпус. Один из вариантов передней панели приемника с размерами приведен на рис.8. Селектор каналов припаивается к печатной плате в четырех точках по углам. При монтаже приемника в корпус следует уделить большое внимание разводке дополнительных «земель» между блоками. От этого будет зависеть наличие или отсутствие помехи по НЧ от динамической индикации. Сигнальные провода между блоками желательно делать короткими и экранированными. Для качественного приема стереофонического радиовещания можно использовать антенну от системы коллективного телевидения (если в ней имеется магистральный усилитель на один из каналов от 2 до 5). Блок питания может быть применен любой конструкции на 16 Вольт с максимальным током около 4 А. На такой приемник с антенной «диполь» на крыше 7-этажного здания в октябре 2000 г. в г. Витебске уверенно принимались в стереорежиме (!) не только витебские станции но и “ЕВРОПА+” - г. Смоленск (102 МГц), “BA”- г. Минск (104,6 МГц) , “ Радио Стиль” - г. Минск (101,2 МГц).
Авторами за два года было собрано и настроено более 10 таких приемников и у всех была хорошая повторяемость. Качество воспроизведения радиопрограмм высокое , особенно это чувствуется в стереотелефонах. Сделав этот приемник, заодно можно избавиться и от имеющегося у Вас усилителя мощности, если его выходная мощность менее 20 Ватт на канал. Наверное схему приемника можно было бы оптимизировать и улучшить, или вообще выполнить на другой элементной базе. Совершенствованию нет предела. Мы хотели показать нестандартное использование «цифровых» селекторов каналов, которые незаслуженно пользуются намного меньшей популярностью, чем селектора каналов с привычным аналоговым управлением. Хотим выразить большую признательность нашим друзьям и коллегам за помощь – Сергею Чиркову, разработавшему источник питания специально для приемника и Владимиру Тимошенко, который сделал все схемы приемника в электронном виде. Весь приемник (без блока питания) обходится примерно в 25 - 30 $. Вся комплектация (включая конденсаторы и разъемы) авторами приобреталась в магазине «Чип и Дип » и на радиорынке в Митино - г. Москва . Там же можно приобрести и селектор каналов KS-H-132 за 3,5 – 4 $. Многое к приемнику можно купить и на минском радиорынке. Авторы надеются, что данная статья не оставит вас равнодушными и будут рады любым вашим отзывам и предложениям. Заказать “прошитые“ процессора, фильтры, печатные платы и получить ответы на все вопросы можно, обратившись к авторам по электронной почте. Для тех же, кто хочет все сделать сам, в этой публикации кроме схем публикуются рисунки печатных плат и карта «прошивки» микроконтроллера.
Схемы, прошивки: sek-8501.part1.exe , sek-8501.part2.rar
Рисунки печатных плат: sek-8502.part1.exe , sek-8502.part2.rar
Василий Сазоник sazonik@yandex.ru
Виталий Ермашкевич (EW6BA) ew6ba@rambler.ru
Константин Козлов(EW6KN) ew6kn@rambler.ru
г. Витебск 2001 г.