
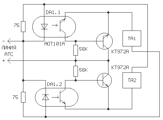
Это схема простого блокиратора телефонной линии на оптронах. Принцип работы довольно прост: при поднятии трубки на каком-либо телефонном аппарате - второй аппарат блокируется.

Иногда необходимо определить занята телефонная линия или нет? Вот простая схема индикатора телефонной линии на светодиодах. Когда горит красный светодиод - это означает, что линия занята, если зеленый - свободна. Практически не вносит искажений в линию. Можно размещать где угодно - хоть в корпусе телефона.
Детали:
R1 - 33 кОм 1/4Вт
R2 - 33 кОм 1/4Вт
R3 - 56 кОм 1/4Вт
R4 - 22 кОм 1/4Вт
R5 - 4,7 кОм 1/4Вт
Q1,Q2 - 2N3392 (n-p-n)
BR1 - диодный мост на 1,5 A 250 V
LED1 - красный светодиод
LED2 - зеленый светодиод
Если схема вызывает искажение на телефонной линии, соединить резистором 680 Ом один провод входящей линии и диодным мостом.
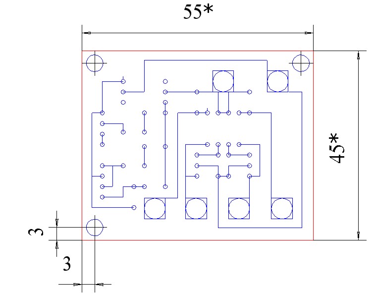
Ниже приведена печатная плата разработанная мною для двух этих устройств.
