Световой индикатор телефонных звонков может работать вместо телефонного звонка или одновременно с ним. Он будет полезен пожилым людям с пониженным слухом, а также избавит от телефонных "трелей" в ночное время. Устройство будет просто необходимо, если в квартире спит маленький ребенок. Предлагаемые устройства лишены таких недостатков, как срабатывание при разговоре и при наборе номера, потребление электроэнергии от сети в ждущем режиме, неудобство подключения к линии. Здесь приводятся три варианта выполнения такой приставки. Все схемы не потребляют энергию в ждущем режиме, не срабатывают при разговоре или наборе номера на телефонном аппарате, а длительная эксплуатация устройств показала их высокую надежность.

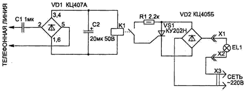
Первая схема подключается к телефонной линии в любом месте параллельно с телефоном и не оказывает влияния на его работу из-за большого входного сопротивления. При наличии в линии вызывного сигнала он выпрямляется на элементе VD1 и подается на герконовое реле с рабочим напряжением 27 В — РЭС55А РС4.569.601 (РС4.569.606) или РЭС55Б РС4.569.626 (РС4.569.631), которое при срабатывании включает тиристор VS1. Схему можно еще упростить, если вместо диодного моста VD2 использовать один диод, подключаемый к тиристору последовательно с нагрузкой. Тогда яркость свечения лампы уменьшится и свечение станет немного пульсирующим (что несущественно), так как она будет работать только на одном полупериоде сетевого напряжения. Все элементы схемы размещаются на односторонней печатной плате с размерами 67х55 мм или могут соединяться объемным монтажом внутри корпуса телефонного аппарата. При этом на корпусе устанавливается переключатель S1, а вместо конденсатора С1 может использоваться конденсатор, имеющийся в телефонном аппарате в цепи звонка, если его емкость не менее 0,6 мкФ. Такую конструкцию и рисунок печатной платы можно посмотреть здесь (zip 25Кб).
Применяемые в устройстве конденсаторы: С1 — МБМ или аналогичный на 160 В; С2 — К50-6 на 50 В. Диодную матрицу VD1 можно заменить на КЦ405Б, В, Г, Д. Использование других типов реле недопустимо, так как они могут перегружать телефонную линию при действии сигнала вызова. При правильном монтаже устройство настройки не требует

Вторая схема собрана на неоновой лампе (HL1), транзисторном автогенераторе (VT1) и симисторном коммутаторе (VS1). Особенностью неоновой лампы является способность пропускать ток (при загорании), когда напряжение на ней превысит 90 В, что позволяет ее использовать как пороговый элемент. Амплитуда напряжения вызова в телефонной линии превышает это значение. В качестве HL1 могут применяться и другие типы, например ТН-0,5. На однопереходном транзисторе собран автогенератор, формирующий короткие импульсы для открывания симисторного коммутатора. При неправильной полярности импульса, приходящего на управление VS1, симистор открываться не будет (при настройке придется поменять местами выводы на одной из обмоток Т1). Резистор R1 позволяет подстроить чувствительность светового индикатора так, чтобы он не срабатывал при наборе номера. Топология печатной платы для схемы приведена в вышеуказанном файле (zip 25Кб). В конструкции применены детали: конденсатор С1 типа К52-1Б, С2 типа К10-17,резистор R1 типа СП4-1, остальные — типа С2-23-0,5. Симистор подойдет и любой другой, менее мощный. Параметры импульсного трансформатора Т1 аналогичны параметрам трансформатора, описанного в этой статье.

Третья схема аналогична по принципу работы вышеописанной, но в ней в качестве порогового элемента используется стабилитрон VD2, а также кроме света имеется включаемый звуковой индикатор. Схема не критична к деталям и при правильной сборке настройки не требует. При подключении цепей к сети 220 В желательно соблюдать фазировку, показанную на схеме. Это исключит вероятность проникновения помехи в ТЛ (в момент включения EL1) через развязывающий импульсный трансформатор Т1.