
|
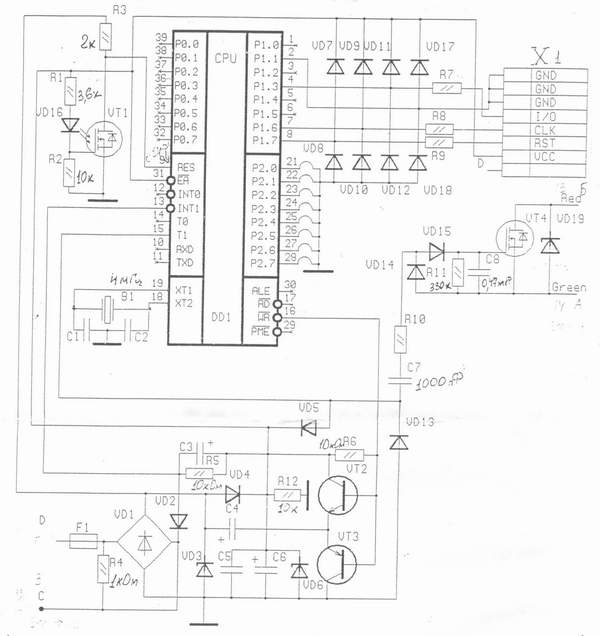
Это схемы синего (маленького) Укртелеком'овского аппарата, того что сейчас.
|




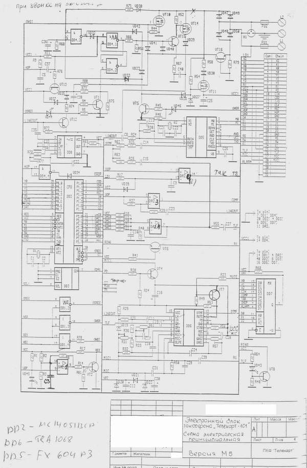
ЖКИ дисплей позволяет осуществлять контроль набираемого номера, длительности разговора, остатка неиспользованного лимита на карте, результатов диагностики таксофона. На дисплей выводятся текстовые сообщения, дублируемые акустическими сигналами в микротелефонной трубке, которые позволяют упростить пользование таксофоном и контролировать его состояние. Элементная база ведущих мировых производителей и применение технологии поверхностного монтажа позволяют обеспечить высокие технические характеристики, качество изделия и предоставление услуг связи мирового уровня.
Блочно-модульная конструкция обеспечивает удобное сервисное обслуживание, ремонт и модернизацию. Электронные платы таксофона защищены от влаги специальным покрытием. Таксофон полностью адаптирован к применению на сетях общего пользования с разными типами АТС зарубежного и отечественного производства. Совместимость и преемственность со всеми видами телефонных карт, оборудования, системами управления, ранее выпущенными ПКФ "Телекарт". Встроенная система самодиагностики и тестирования и передача данных об аварийных ситуациях на систему управления "Сириус". Посредством блока защиты линии (БЗЛ), аппарат проверяет карточки на предмет эмуляторов и сообщает обо всём на сервер каждые 30-40 сек.
Тарифные таблицы оперативно загружаются дистанционно системой управления таксофонами "Сириус". Связь осуществляется по инициативе системы, в аварийных ситуациях - по инициативе таксофона. Управление таксофонами с помощью системы позволяет оперативно произвести анализ статистики трафика с целью обеспечения максимальной эффективности функционирования таксофонной сети. Таксофон полностью поддерживает функцию роуминга карт разных эмитентов и операторов. В этом случае возможна организация проведения взаиморасчетов между операторами и эмитентами с помощью кросс-биллинговой системы "Дельта".
С некоторых экземпляров микросхем серий AT89Cx051 и AT89C5x старых выпусков (примерно до начала 1998 года) биты защиты также могут быть сняты без стирания содержимого устройства. Для этого следует выполнить следующую последовательность операций:
Установите защищенный кристалл AT89xxxx в ZIF-колодку PicProg
Нажмите комбинацию клавиш Control+F7
PicProg выполнит процедуру стирания битов защиты (в данном случае она выполняется очень быстро)
Теперь можно попытаться считать содержимое микросхемы в буфер программы