Генератор сигнала ДМВ.

При налаживании радиолюбительских конструкций, работающих на частотах выше 1 ГГц (например, в любительском диапазоне 23 см), необходим генератор высокостабильного сигнала. Его нетрудно изготовить, если в распоряжении радиолюбителя имеется кварцевый резонатор на частоту 27...50 МГц.

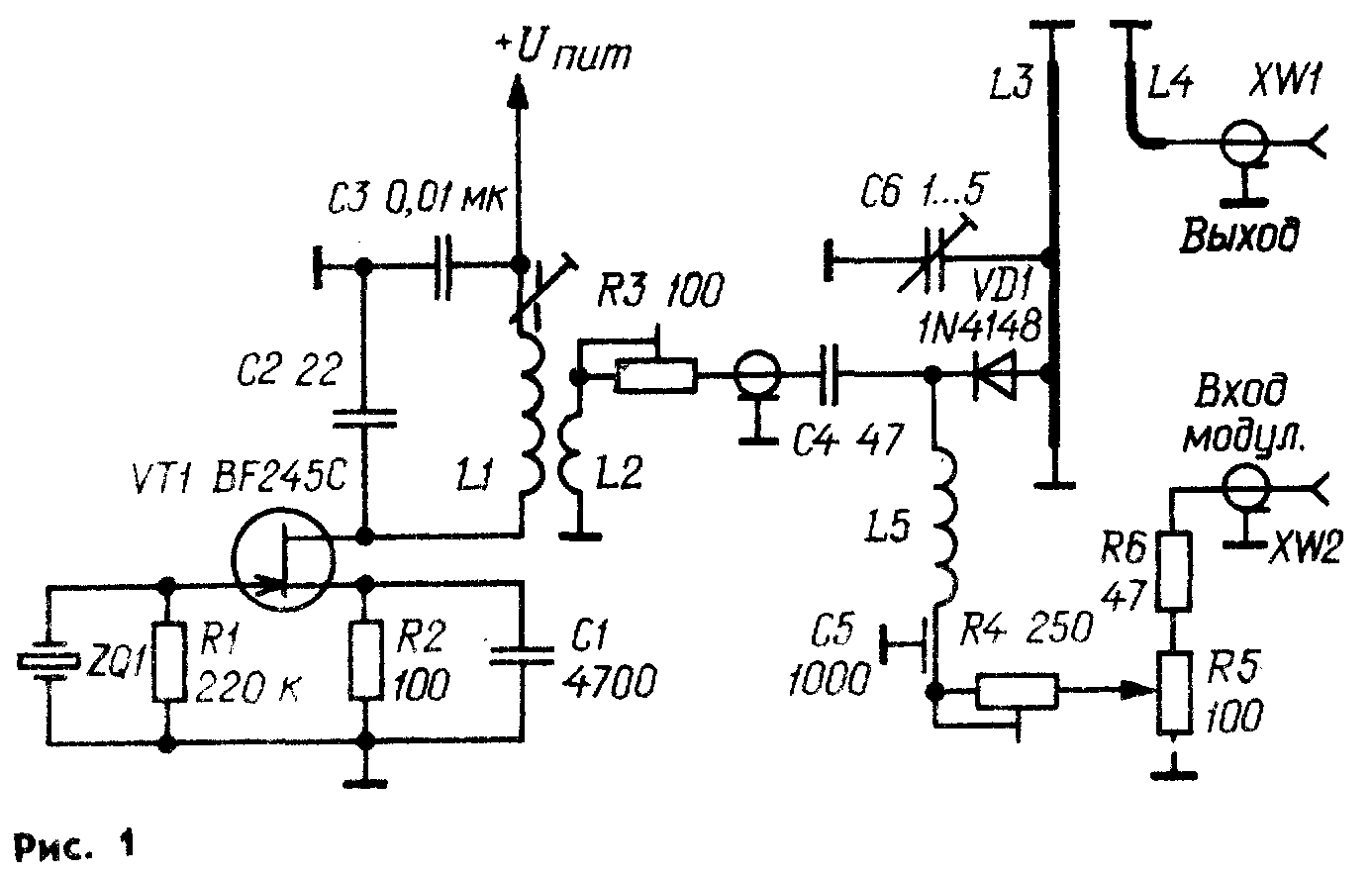
Принципиальная схема генератора изображена на рис. 1. Задающий генератор собран на транзисторе VT1, умножитель частоты — на диоде VD1. Необходимую гармонику исходного сигнала (например, 29-ю для любительского диапазона 23 см при использовании резонатора на частоту 45 МГц) выделяет контур L3C6. Напряжение смещения на диоде VD1 создается автоматически. Его оптимальное значение (по максимальному сигналу требуемой гармоники) устанавливают подстроенным резистором R4. По этому же критерию подбирают (подстроеч-ным резистором R3) уровень высокочастотного напряжения, поступающего на умножитель с задающего генератора. При необходимости выходной сигнал генератора можно промодулировать. Требуемый уровень модулирующего напряжения устанавливают переменным резистором R5.

В генераторе применен обычный высокочастотный диод (не предназначенный для работы в диапазоне ДМВ). Если его заменить на диод Шоттки, уровень выходного сигнала заметно возрастет. Колебательный контур L1C2 настраивают на частоту кварцевого резонатора. Конструкция катушек L1 и L2 некритична (отношение их чисел витков — около 10). Дроссель L5 представляет собой бескаркасную катушку (10 витков) диаметром 13 мм. Элементы VD1, С4, С5, L3— L5 монтируют на плате из одностороннего фольгированно-го материала, располагая все детали со стороны фольги. Контур L3C6 представляет собой подстраиваемую конденсатором полуволновую линию. Ее размеры для любительского диапазона 23 см показаны на рис. 2. Изготавливают линию из медной полосы, изгибают и припаивают оба ее конца к фольге. Петлю связи L4 сгибают из провода диаметром 1 мм и располагают в нескольких миллиметрах от линии L3. Увеличив продольные размеры линии (пропорционально уменьшению рабочей частоты), описанный генератор можно использовать для настройки, например, телевизионных конвертеров ДМВ.

Примечание редакции. Транзистор VT1 можно заменить на КП303Е, диод VD1 — на КД522 или КД514А. Кварцевые резонаторы на частоту 27...30 МГц есть в наборах серии «Кварц» для радиоуправляемых моделей.

Радио № 3, 1989 г.

Назад