Генератор ТИС

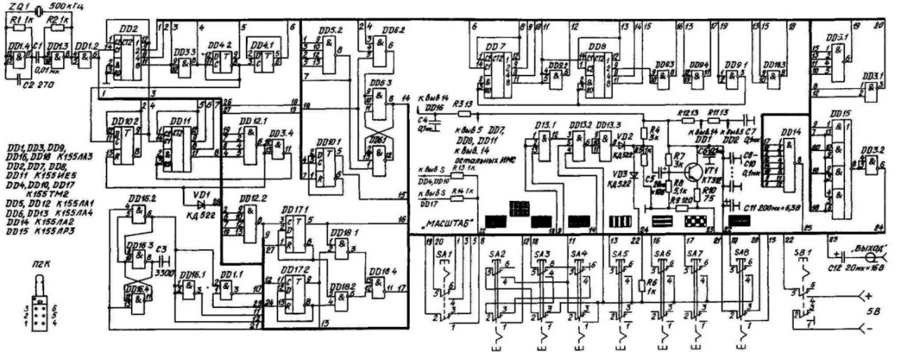
Проверить центровку изображения, линейность разверток, чистоту цвета, качество сведения трех лучей масочного кинескопа цветных телевизоров (и отрегулировать их при необходимости) поможет генератор телевизионных испытательных сигналов (сокращенно ТИС). Он вырабатывает сигналы равномерно светящегося поля, крестовидной фигуры, а также в двух режимах (густо и редко) сигналы вертикальных и горизонтальных линий и полос, сетчатого, точечного и шахматного полей. Отличают данный прибор наличие единственного подборочного элемента — конденсатора в формирователе вертикальных линий, а также временная привязка сигнала «крест» к телевизионному изображению, квадратная форма сигналов ячеек сетчатого, точечного и шахматного полей. В предлагаемой схеме все расчеты выполнены в соответствии со стандартом на вещательное телевидение, поэтому регулировки с помощью этого прибора (центровка растра, установка линейности, горизонтального размера) идентичны настройке по УЭИТ, а отсутствие подборочных элементов обеспечивает нормальную работу генератора после его сборки без сложной наладки, что немаловажно для радиомехаников телеателье и особенно для сельских радиолюбителей. Общие принципы определения координат сигналов изображения на экране телевизора, а также простой способ составления схем сквозных делителей частоты с любым коэффициентом деления изложены в радиолюбительской литературе. Поэтому остановимся лишь на характерных особенностях схемы При воспроизведении изображения широкоугольными цветными кинескопами теряется примерно 6% информации по горизонтали, и потому в простейших генераторах сигналов отпадает необходимость временного сдвига фронта строчного синхроимпульса (ССИ) относительно фронта строчного гасящего импульса (СГИ). Длительность кадровых синхронизирующих (КСИ) и гасящих импульсов (КГИ), а также временной сдвиг между ними — стандартные. Ячейки сигналов сетчатого, точечного и шахматного полей должны иметь форму квадратов для определения горизонтального размера телевизионного изображения. Структурная схема автономного генератора полного телевизионного сигнала приведена на рисунке 1. Принципиальная схема прибора для настройки телевизоров изображена на рис. 2. Задающий генератор собран по типовой схеме на элементах DD1.4, DD1.3 (рис. 2), с кварцевым резонатором в цепи обратной связи. Импульсы частотой 500 кГц через развязывающий элемент DD1.2 поступают на счетчик DD2 с коэффициентом деления 16 и через инвертор DD3.3 на D-триггер DD4. Дешифратор DD5.2 формирует ССИ длительностью 4 мкс, а дешифратор DD6.2 и RS-триггер на элементах DD6.3, DD6.1—СГИ длительностью 12 мкс. В том же триггере происходит сложение гасящих импульсов строк и кадров. Период строчных импульсов 64 мкс (Н). Формирователь импульсов полей с коэффициентом деления 312 состоит из D-триггера DD4.1 — делитель на два, счетчиков DD7, DD8 — делитель на 256, в схему которого введена обратная связь, обеспечивающая модуль пересчета, равный 156 (дешифратор DD5.1 и инвертор DD9.1 вырабатывают импульс сброса). Кадровый синхроимпульс формируется дешифратором DD3.1 и элементом DD15; здесь же происходит сложение синхроимпульсов. Смеситель сигналов выполнен на резисторах R4, R5 и диодах VD2, VD3. Полный видеосигнал с части нагрузки эмиттерного повторителя на транзисторе VT1 поступает на выход. Система цветного телевидения СЕКАМ-III-Б, принятая в нашей стране для вещания, является совместимой, поэтому все расчеты временных интервалов проводим согласно стандарта на вещательное телевидение. Строка и поле сигнала «равномерно светящееся поле» имеют вид, представленный на рисунке 3. Для получения сигнала «вертикальные линии» на формирователь, выполненный на элементах DD16.2, DD16.3, DD16.4 и конденсаторе СЗ, подаются импульсы с периодом следования 2(4) мкс. За время активной части строки

Накт = Н — tcги = 64—12 = 52 мкс

на экране воспроизведется 26 (13) светлых линий. Стандартный размер изображения «сетчатое поле» устанавливается путем отношения числа вертикальных линий к горизонтальным:

Nвepт : Nrop = 4 : 3, откуда

Nrop = (26 · З ) / 4 = 19,5 (9,75).

Для формирования 19,5 (9,75) горизонтальных линий во время активной части поля определим их период повторения:

(Z / 2) — 25H : Nrop = (312,5—25) / 19,5 = 14,74 (29,5) H,

где: — Z / 2 число строк поля.

Следовательно, для получения горизонтальных линий необходимо засвечивать каждую 15-ю (29-ю) строку поля. Для этого служит счетчик с коэффициентом деления 15 (29) (DD10.2.DD11) и дешифратор DD 12.1, формирующий импульс сброса. Сигнал «горизонтальные линии» формируется на выходе дешифратора DD12.2. Триггеры делителя перед началом каждого полукадра обнуляются импульсом, поступающим через диод VD1, и инвертором на элементе DD3.4. Сигнал «сетчатое поле» формируется в элементе DD13.1 сложением вертикальных и горизонтальных линий. Для получения сигнала «крест» необходимо в середине активной части строки и поля сформировать импульс вертикальной линии длительностью 0,15—0,2 мкс и горизонтальной линии длительностью 64 мкс. Определим координаты этих линий из рисунка 3, принимая за начало отсчета фронт ССИ

Хверт = ((H — tcги) / 2) — 1,5 = ((64—12) / 2) + 12 — 1,5 = 36,5 мкс

Yгор = ((Z / 2) — 25 H) / 2 = 143,75 Н.

Импульс длительностью 36 мкс с выхода D-триггера DD10.1 поступает на формирователь вертикальных линий; дешифратором DD14 выделяется 144-я строка поля, сложение линий происходит в элементе DD1.1. Сигнал «точечное поле» формируется в элементе DD13.2 сложением вертикальных (инвертированных элементом DD16.1) и горизонтальных линий с выхода элемента DD12.2. Сигнал «шахматное поле» формирует элементы DD17, DD18.1, DD18.2 и DD18.4. Сигналы «вертикальные полосы» и «горизонтальные полосы» формируются на выходах триггеров DD17.1 и DD17.2 соответственно. Сформированные сигналы через переключатели SA2 — SA8 поступают на вход элемента DD13 2, который выклю» чается во время действия гасящих импульсов по входу 5, инвертируются элементом DD13.3 и подаются на смеситель сигналов. Конструктивно прибор состоит из горизонтальной передней панели, к которой параллельно прикреплена печатная плата; на панели также установлены переключатель выбора сигнала и выходной разъем. Печатная плата прибора со схемой расположения элементов (рис. 4.).

Варианты выполнения платы из стеклотекстолита толщиной 1,5 мм:

1 С двусторонними печатными проводниками и металлизацией отверстий.

2. С двусторонними печатными проводниками без металлизации отверстий (припайкой выводов микросхем и деталей к проводникам с обеих сторон платы).

3 Односторонними печатными проводниками, дополненными объемным монтажом.

4 Объемный монтаж одножильным проводом Импульсы длительностью 2 и 4 мкс на переключатель SA1 подаются экранированным проводом (скрученные пары).

Внешний вид печатной платы — на рис. 4. В генераторе применены микросхемы серии К 155, потребляемый ток составляет 200 мА, при применении микросхем серии К 134 потребление тока снижается до 58 мА, но при этом ухудшается контрастность перехода на границах от черного к белому сигнала вертикальных линий. Для устранения этого недостатка необходимо в задающем генераторе и формирователе вертикальных линий применить микросхему К533ЛАЗ. С целью уменьшения энергопотребления вместо ИМС серии К 155 целесообразно применение микросхем серий К555, К158. Кварцевый резонатор на частоту 500 кГц — вакуумный малогабаритный, резисторы МЛТ-0,25, ВС-0,125, конденсаторы KM, K50-6, переключатель 9-клавишный П2К, разъем типа СР-50-73Ф. Возможно применение и других аналогичных деталей, но при этом возрастут габаритные размеры прибора. Собранный прибор из заведомо исправных деталей не требует настройки и сразу начинает работать. Необходимо только, в зависимости от примененного монтажа, уточнить значение емкости конденсатора СЗ (толщина вертикальной линии должна быть равной толщине горизонтальной линии). Эпюры напряжений на выходе генератора показаны на рисунке 5.

Р. КАГАРМАНОВ, г.Иркутск, «М-К» № 2/29

Назад