Последнее десятилетие характеризуется значительным ростом интенсивности как эфирного, так и кабельного вещания. Телезрители, по тем или иным причинам эксплуатирующие телевизионные приемники устаревших моделей, имеют проблемы с приемом: шесть или восемь кнопок в телевизорах, оборудованных устройствами выбора программ или устройствами сенсорного управления (СВП 4, СВП 4-1, СВП 4-5, СВП 4-6, СВП-403, МВИ-2, УВП-1-1, УСУ-У-75 и т. д.), не могут обеспечить возможности переключения всех необходимых программ.
Существует несколько путей решения вышеупомянутой проблемы:
1) покупка нового современного телевизионного приемника,
2) использование блока выбора телевизионных программ видеомагнитофона (при условии, что он есть),
3) замена устаревшего устройства выбора программ типа СВП, МВП, УВП, УСУ, МУ-48 и других на модуль управления телевизоров 5(6)-го поколения,
4) доработка устаревшего устройства выбора программ таким образом, чтобы увеличить число переключаемых телепрограмм
Первые два пути решения проблемы потребуют материальных затрат, третий путь для большинства телезрителей можно считать оптимальным. Однако не следует сбрасывать со счетоввозможность доработки существующего устройства выбора программ, особенно если количест во программ телевизионного вещания в регионе не превышает 12,16 и отдается предпочтение минимальным финансовым затратам.

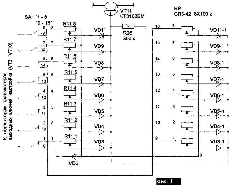
Предлагается доработка телевизора "Оризон" (51ТЦ-449Д), позволяющая удвоить число принимаемых телепрограмм при минимальных изменениях в штатном устройстве выбора про грамм. Фрагмент схемы доработки показан на рис.1. В состав модуля настройки МН-4П введены дополнительно блок потенциометров настройки, восемь развязывающих диодов и многопозиционный переключатель Дополнительный блок потенциометров настройки (позиционное обозначение RP) аналогичен блоку потенциометров, используемому в модуле МН-411 (поз обозначение R11, тип РПЗ-42). Развязывающие диоды VD3-1 VD П -1 исключают взаимное влияние переменных резисторов Многопозиционный переключатель SA1 позволяет осуществить коммутацию между основным и дополнительным блоками потенциометров настройки.
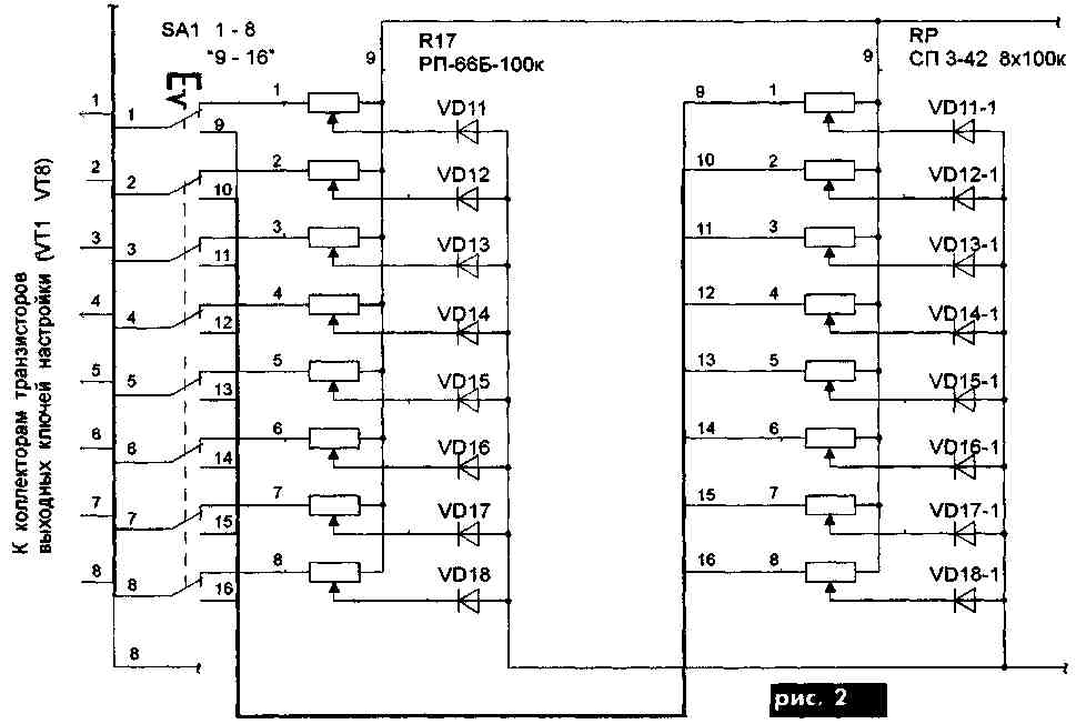
Следует отметить, что пред ложенное схемное решение можно использовать при доработке и других моделей телевизоров класса ЗУСЦТ и 4УСЦТ. В качестве примера на рис.2 показана схема доработки устройства выбора программ УВП-1-1, который входит в состав телевизоров "Фотон 51ТЦ-404ДЩИ)".

Диоды VD3-1, VD11-1 удобно расположить непосредственно на резисторной сборке RP, подпаяв их к соответствующим выво дам подвижных контактов потенциометров. Резисторную сборку следует закрепить на плате модуля МН-411, а переключатель - в любом, удобном для монтажа и управления месте Электрические соединения желательно выполнить ленточным кабелем либо одиночными проводниками, связанными в жгут. Такое решение просто, но имеет и незначительные недостатки. Переключение SA1 приходится выполнять вручную, да и возможность настройки на 16 каналов устраивает далеко не каждого. Эти эксплуатационные неудобства окупаются простотой и незначительными затратами средств и времени на выполнение доработки
Ю. Пузыренко, г Киев, РАДИОАМАТОР № 6, 2001