В течение нескольких лет в нашем городе ведется
платное кодированное вещание на 29-ом канале. Для
реализации достаточно надежной зашиты от
несанкционированного просмотра программ,
используется многовариантная адресная система
кодирования, разработанная в России и
используемая многими коммерческими студиями
телевидения. Визуально у кодированной программы
отсутствует строчечная и кадровая
синхронизация. При просмотре полного
телевизионного сигнала при помощи осциллоскопа
удалось обнаружить, что в кодированном сигнале
отсутствуют кадровые
синхроимпульсы, а вместо строчечных импульсов
передаются импульсы синхронизации, показанные
на рис.1.

Количество строк, в течение которых передаются
сигналы рис.1(а) и рис.1(б), периодически изменяется
и это является одним из вариантов кодирования.
Меняется также и длительность импульсов
высокого уровня (75% уровня белого), изображенных
на рис.1 пунктирной линией. Адрес абонента и
информация о способе кодирования передается в
течение 1 мкс в конце каждой строки.Однако
разработчики описываемой системы кодирования
телевизионных программ допустили некоторые
оплошности, которые позволяют легко сделать
дискремблер,способный преобразовывать
кодированную программу в стандартный полный
цветной телевизионный сигнал (ПЦТС) при
использовании на передающей стороне любого из
заложенных в системе способа кодирования.
Изготовить такой дискремблер можно, используя то
обстоятельство, что положение места перехода с
импульсов низкого уровня (уровень ниже черного)
на импульсы высокого уровня (рис.1) является
постоянным во времени и совпадает с началом
строчечных синхроимпульсов. Кадровые
синхроимпульсы можно получить, ведя счет
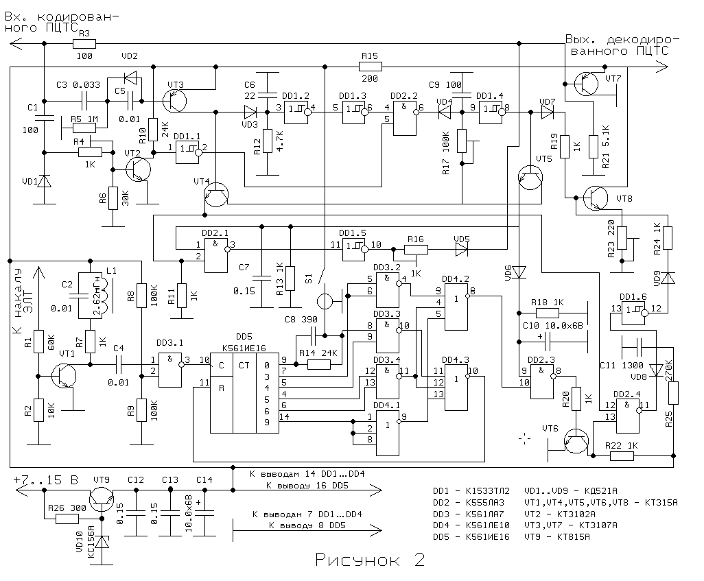
количества переданных строк.Схема электрическая
принципиальная дискремблера, реализующего
описанный принцип и обеспечивающего
автоматическое распознавание кодированной
программы, изображена на рис.2.

На транзисторе VT3 собран селектор импульсов
низкого уровня, которые после выделения и
инвертирования заряжают емкость С6 и поступают
на вход триггера Шмита DD1.2. Постоянная времени
цепи R12, С6 выбрана такой, чтобы увеличить
длительность этих импульсов на 1..2 мкс. После
инвертирования элементом DD1.3 эти импульсы
приходят на один из входов элемента DD2.2. Импульсы
высокого уровня выделяются транзистором VT2 и
после инвертирования элементом DD1.1 подаются на
второй вход элемента DD2.2. Таким образом, при
наличии кодированного сигнала
показанного на рис.1(а), на выходе элемента DD2.2
формируется импульсы строчечной синхронизации.
С помощью элементов VD4,R17,C9 их длительность
доводится до стандартной (4,7 мкс) и после
инвертирования элементом DD1.4 они приходят на
базу транзистора VT8, который, открываясь, врезает
их в ПЦТС. Резистор R23 служит длярегулировки
уровня этих импульсов.
Для обеспечения подавления ложных
синхроимпульсов (смотри рис.1(а)) служат элементы
VT4, VT5, DD2.1, DD1.5, VD5, R16. После селекции транзистором VT3
все импульсы низкого уровня поступают на
эмиттерный повторитель VT4, а затем на один из
входов элемента DD2.1. На другой вход DD2.1 поступает
сигнал, сформированный элементом DD1.4
(вставляемые строчечные синхроимпульсы). Цепочка
VT5, R13, C7 служит для увеличения длительности этих
импульсов до 70..110 мкс. Следовательно,на выходе
элемента DD2.1, в случае приема сигнала,
изображенного на рис.1 (а), после
прохождения первой кодированной строки,
появляются импульсы. Эти импульсы точно
соответствующие по длительности и по месту
расположения фронтов ложным синхроимпульсам,
присутствующим в кодированном сигнале. Элемент
DD1.5 инвертирует их и через диод VD5 c
последовательно включенным резистором R16,
который служит для регулировки степени
подавления ложных синхроимпульсов, сигнал
поступает на базу эмиттерного повторителя VT7.
Кадровая синхронизация осуществляется с помощью
подсчета числа строк. Для этого удобно
использовать напряжение накала кинескопа (ЭЛТ).
(Практически во всех современных телевизорах
напряжение накала на кинескоп подается с
трансформатора строчечной развертки и содержит
высшие гармонические составляющие, которые
необходимы для работы дискремблера.) На
транзисторе VT1 и колебательном контуре L1, C2
происходит выделение второй гармоники
строчечной частоты. После
инвертирования на элементе DD3.1 удвоенная частота
строчечной развертки приходит на счетный вход
микросхемы DD5. Элементы DD3.2, DD3.3, DD3.4, DD4 служат для
формирования импульсов кадровой синхронизации,
которые появляются на выходе элемента DD4.2, и
сброса счетчика DD5. Кнопка S1 предназначена для
подстройки фазы импульсов кадровой
синхронизации. Таким образом, на один из входов
элемента DD2.3 приходят импульсы кадровой частоты
длительностью 288 мкс (4,5 строки). Другой вход
элемента DD2.3 подключен к конденсатору С10, который
заряжается импульсами строчечной синхронизации,
в случае приема кодированного сигнала. При
приеме обычных телепрограмм напряжение на входе
9 элемента DD2.3 соответствует логическому нулю,
и работа дискремблера автоматически
прекращается. Итак, при приеме кодированных
программ, после инвертирования транзистором VT6,
импульсы кадровой синхронизации попадают на
вход элемента DD2.4, который, совместно с
элементами VD8, R25, C11 и DD1.6, выполняет функцию их
"нарезки" (рис.3).

"Нарезка" кадровых синхроимпульсов необходима для обеспечения строчечной синхронизации во время прохождения кадровых синхроимпульсов. После этого кадровые синхроимпульсы тем же способом, что и строчечные врезаются в ПЦТС.Внешний вид декодированного сигнала показан на рис.4.

На транзисторе VT9 собран стабилизатор
напряжения питания.
Конструкция и детали. Все резисторы,
использованные в дискремблере, рассчитаны на
мощность 0.125 Вт. Исключением является R26, который
должен обеспечивать рассеивание мощности
порядка 0.5 вт. Отклонения номиналов элементов: С2,
С6, С11, R12, R25 - + 5%, остальные - + 20%. Индуктивность L1
намотана на тороидальном магнитопроводе из
феррита марки М200НН габаритными размерами 20х12х4
мм и содержит 110 витков повода ПЭВ 0.1. К
добротности катушки L1 не предъявляется жестких
требований, поэтому возможна ее намотка на любом
другом магнитопроводе. Все транзисторы и диоды
могут иметь любые буквенные индексы. Вместо DD1
можно применить К533ТЛ2; вместо DD2 - К133ЛА3, К155ЛА3,
К533ЛА3, К1533ЛА3; вместо DD3 - К564ЛА7, К176ЛА7. DD4 - К564ЛЕ10,
К176ЛЕ10. Конденсаторы С12, С13 необходимо
расположить в
непосредственной близости от микросхем DD1, DD2.
Подключение к телевизору. Описываемый
дискремблер можно подключить практически к
любому телевизору (кроме ламповых), для этого
необходимо включить его в разрыв цепи
низкочастотного
видеосигнала с размахом 2..4.5 В. В телевизорах
3УСЦТ, 4УСЦТ, 5УСЦТ дискремблер включается на
выходе модуля радиоканала. В телевизорах
западного производства, а также в 6УСЦТ,
дискремблер включается после змиттерного
повторителя, включенного между видеопроцессором
и керамическими полосовыми и режекторными
фильтрами. Пример схемы подключения к телевизору
с видеопроцессором TDA8362A показан на рис.5.

Пунктиром на рисунке показана цепь, которую
необходимо разорвать.
Регулировка. Установить движок
резистора R4 в крайнее левое по схеме положение.
Включить телевизор на кодированную программу.
Установить с помощью резистора R17 длительность
импульсов на выходе элемента DD2.4 равной 4..4.7 мкс.
Подключить осциллоскоп к выходу дискремблера и,
вращая движок резистора R23, добиться равенства
амплитуд передаваемых и врезаемых импульсов
строчечной синхронизации. Затем с помощью
резистора R16 установить необходимую величину
подавления ложных синхроимпульсов, при этом
сигнал, присутствующий на выходе дискремблера,
должен соответствовать рис.4. В последнюю
очередь, вращением движка резистора R4 добиться
максимального качества приема декодированной
программы.Описанный дискремблер был успешно
установлен в телевизоры Philips, Samsung и Электрон
51ТЦ4303. Все доработанные таким образом телевизоры
принимали кодированный канал практически с
таким же качеством, как и не кодированные. После
оснащения таким дискремблером телевизора,
появляется возможность вести запись
кодированных программ на видеомагнитофон. Для
этого достаточно соединить НЧ выход телевизора с
НЧ входом видеомагнитофона и включить последний
на запись.
Список литературы
1.Бродский М. А. Цветное телевидение Мн. Висш.
шк.,1994-142с.
2.Хохлов Б. Видеопроцессор TDA8362A в современных
телевизорах. -
Радио,1997,№6,7.
3.Цифровые интегральные микросхемы: Справочник /
Ц75 П. П. Мальцев, Н. С.
Долидзе, М. И. Критенко и др. - М.: Радио и связь,
1994.-240с.: ил.
Автор: Владимир Мещеряков