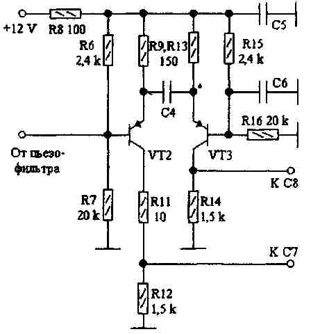
Владельцам телевизоров ЗУСЦТ с субмодулем радиоканала СМРК-2, живущим в зоне неуверенного приема, предлагаю простой способ повышения чувствительности УПЧИ (и телевизора в целом) в 1,5-2 раза путем замены номиналов нескольких резисторов. Анализ схемы дифференциального усилителя субмодуля радиоканала СМРК-2, собранного на транзисторах VT2 и VT3, с помощью методики, взятой из [1], показывает, что этот каскад не усиливает сигнал, а служит по-видимому лишь для получения парафазного напряжения, необходимого для нормальной работы микросхемы D2 типа К174УР5 с дифференциальным входом. Фрагмент схемы СМРК-2 с изменениями показан на рисунке. Нумерация элементов соответствует схеме завода-изготовителя, а номиналы резисторов новые. Коэффициент усиления каскада (расчетный) с такими номиналами равен 5, но реальный несколько ниже из-за паразитных емкостей монтажа и шунтирующего действия микросхемы D2.

Радиолюбителям, любящим экспериментировать и решившим повторить эту схему, советую попробовать уменьшить номиналы R9 и R13 (они должны быть одинаковы) Это повысит усиление, однако может привести к самовозбуждению УПЧИ. Ну а теперь от теории к практике. В г. Лозовая моя MB антенна типа 3-элементный "волновой канал" направлена на лозовской ретранслятор "Боком" принимала сигнал УТ-1 (2 канал) из г. Изюм (расстояние около 90 км). До переделки изображение было черно-белое, звук с сильными шумами. После переделки - звук чистый, изображение цветное с легким "снегом". В заключение хочу сказать, что дальнейшее повышение чувствительности телевизора возможно за счет замены селекторов каналов СК-М-24 и СК-Д-24 более современными всеволновыми СК В-41, СК В-518М и др.
Литература:
1. Хоровиц П., Хилл У., Искусство схемотехники -М. Мир, 1984
Г. В. Воличенко, Харьковская обл., РАДИОАМАТОР № 6, 2001