1. Реобас с индикацией вращения вентиляторов.
2. Индикатор загрузки жесткого диска.
Моддинг - такое красивое словцо, прям так и хочется скушать. Раньше давным-давно я и не знал о таком понятии, но тем не менее занимался им по полной. Чего стоит шумоизоляция, украшательства, доработка тех. характеристик, улучшение дизайна да и многое другое. А теперь это все называется - моддингом... Собственно это уже не первый мой модд, но учитывая что я изготовил все практически сам да и еще решил написать про это статью, можно считать что впервые.
Вот значит порыскав по инету, по этим самым моддерским сайтам, я обнаружил что можно побороться с шумом вентиляторов системного блока, сделав фанбас или реобас. Т.к. системник у меня шумит не по-детски, то я стал часто задумываться над этим. Фанбас мне не очень подошел бы, а вот реобас... Ну и загорелся я его сделать ничуть не хуже чем другие, а может и лучше - судить вам, благо опыт имеется у меня. Для начала я облазил пару десятков сайтов и остановился сначала на этой статье. Смысл схемы мне приглянулся, но вот только делать реобас на стабилизаторах я передумал, потому как для стабилизатора нужно подать на вход больше напряжение, что бы на выходе получить 12 вольт. А в компьютере больше 12 вольт нет напряжения. Поэтому исходя из практики "чем проще схема, тем она надежнее" я решил сделать ее на переменных резисторах. Конечно придется резисторы брать 1 ватные, а желательно и 2 ватные, если используете 2 ватные 120 мм. вентиляторы. Мне например вполне хватает и 4 каналов регулировки, поэтому все эту конструкцию, я вместил в 5,25" отсек. И еще место для индикатора загрузки жесткого диска осталось. Но перейдем от слов к делу.
Схема.
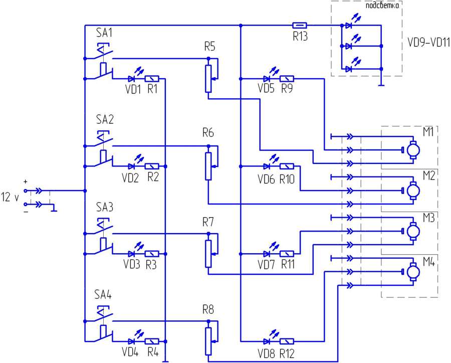
Схему я без труда составил из стандартных схем реобасов, коих полно в сети. Единственное что я добавил - это индикацию вращения вентилятора и одновременно включенное состояние на зеленом светодиоде. Практически было вычислено что сигнал тахо-датчика (как правило - желтый провод) вентилятора - это половина напряжения питания с обратным знаком, т.е. при напряжении на вентилятор 12 вольт на выходе тахо-контроля около -6 вольт. т.к. стоит всего один тахо-датчик то и свечение светодиода зависит от частоты вращения двигателя. при меньших оборотах светодиод будет моргать. и так вплоть до полной остановки.

Собственно схема проста, дальше некуда. В выключенном состоянии SA1-SA4 горят красные светодиоды VD1-VD4. Во включенном через переменные резисторы R5-R8, плюс питания поступает на двигатель вентилятора и мерцает (зависит от частоты оборотов вентилятора) зеленые светодиоды VD5-VD8. Экспериментальным путем решено было взять переменные резисторы номиналом 470 Ом. Если взять больше или меньше, то область регулировки будет маленькой. Для подсветки ручек резисторов под фальш-панелью стоят 3 ультра-ярких синих светодиода VD9-VD11. Для расчета резисторов можно использовать эту статью.
Детали.
SA1-SA4 - кнопки с фиксацией (с двумя группами контактов - размыкающем и замыкающим)
VD1-VD4 - ультра-яркие красные, диаметр 3 мм.
VD5-VD8 - ультра-яркие зеленые, диаметр 3 мм.
R1-R4, R9-R12 - 220 Ом 0,25 Вт.
R13 - 220 Ом 0,5 Вт.
R5-R8 - СП-1 470 Ом


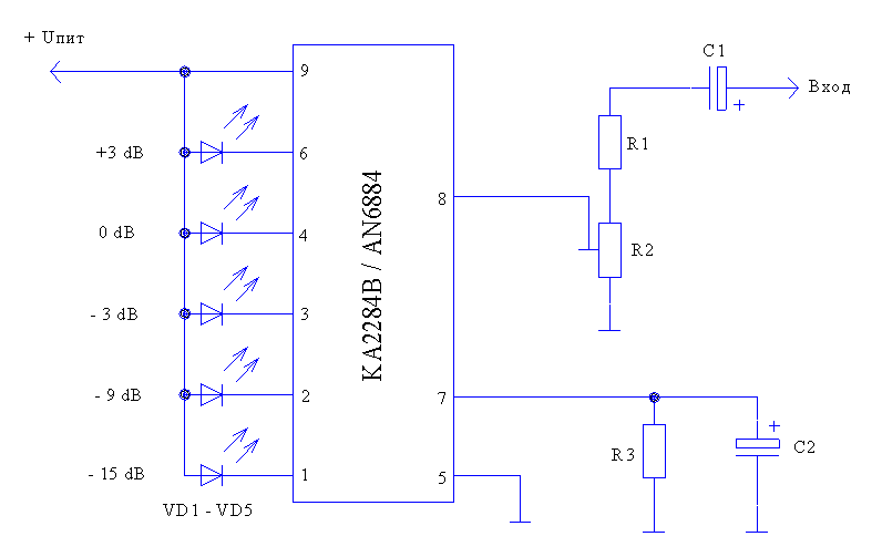
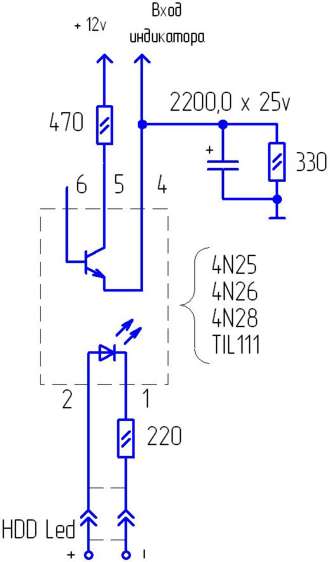
Для индикации линейной шкалой загрузки HDD, есть тоже много схем, обычно они на 10 светодиодах. Но покупать дорогую микросхему, мне не хотелось - просто я нашел у себя спаянную на пяти светодиодах и микросхеме AN6884 (KA2284B) см. схему слева. Описание работы этой схемы здесь. Единственное я ее немного доработал (см. схему слева). Для безопасной работы нужна гальваническая развязка по входу на оптроне и если хотите что бы светящийся столбик светодиодов не был бы сильно "живчиком", а медленно загорался и медленно тух, то нужно поставить RC-цепочку 2200,0 мкф х 25 В и 330 Ом. Емкость электролитического конденсатора подбирается опытным путем - кому какая нравится "заторможенность" индикатора. Схему можно подпаять к светодиоду "HDD Led" или подключить прямо к материнке. Если перепутаете питание на входе, ничего страшного, поменяйте полюсовку и все будет работать. Кстати резистор 220 Ом необязательно ставить, просто я перестраховался, но в итоге оказалось что он не нужен.
Конструкция.
Если схему я придумал довольно быстро, то конструкцию я делал долго. Во-первых когда было свободное время, а во-вторых хотелось все-таки сделать "конфетку". Началось как обычно с собирания деталей и обдумывания как это все крепить и чем. Чудом нашел уже готовую посверленную планку под 4 резистора СП-1. Мне повезло можно сказать, а кто будет повторять сие творчество, придется сверлить самому. Переменные резисторы я взял от старых ламповых телевизоров. Переключатели пришлось купить на радиорынке вместе с кнопочками. Монтажные провода, припой, флюс и паяльник тоже необходимы.




Как видно из фоток (сожалею что плохого качества, но цифровик на работу лень было тянуть, поэтому фоткал мобилкой), переднюю панель я взял от заглушки на 5,25" место в системном блоке компьютера. Ну у кого есть дремель, тому легче будет высверлить и выфрезеровать все отверстия под кнопочки, ручки переменных резисторов и светодиоды. Я это делал почти вручную. Плата с разъемом и электролитическим конденсатором будет служить монтажной кросс-платой где будет крепиться все основное.


Хочу лишь посоветовать что правильная разметка позволяет получить подогнанные отверстия под кнопочки и ручки резисторов. Есть хорошая пословица кстати "Семь раз отмерь, один раз отрежь". Мудрая мысль. Правда у меня пластмассовая заглушка была с какими-то фигуристыми прорезями, поэтому я заранее решил наклеить сверху пластиковую пластинку что бы скрыть промахи напильника и сверла. А затем можно будет и покрасить. Будет довольно неплохо выглядеть. Кстати что бы ручки резисторов были в ореоле синей подсветки я сделал отверстия под них немножко больше.


Кстати дабы не выдумывать как крепить это внутри системного блока, я взял корпус разобранного CD-ROMа отрезал ножницами по металлу верхушку, а боковые стенки прикрутил к основанию. В передней панели по краям просверлил по одному отверстию и просверлил их в металлической боковушке от корпуса сидюка. На кросс-плате по центру просверлил тоже отверстие и через стойку прикрутил ее к металлическому основанию. В итоге вся конструкция крепится в трех точках. Держится устойчиво. Для надписей на передней панели я использовал еще старые (остались еще с перестроечных времен!) передавливаемые символы и шрифты. У кого нет подобного, можно распечатать (в зеркальном отображении) на лазерном принтере и передавить на панель. Или можно нитрокраской написать с помощью рейсфедера, но это получится у того кто хорошо чертил. Затем покрыть надписи бесцветным лаком что б не стирались.

Это почти собранная конструкция. Не хватает только еще нескольких штрихов - распаять шлейф на светодиоды, распаять сигнальные светодиоды и надеть ручки на резисторы.
А это уже готовое устройство. Кстати на любителя, но ультраяркие светодиоды не всем советую ставить. У меня системник находится внизу, поэтому на работу возле компьютера это не мешает. Если кто желает можно посмотреть небольшое видео, которое я снял на мобилку в процессе обкатки одного канала.
Типа эпилога...
Вот собственно говоря и все. Хотя это только начало. Впереди еще много всего интересного и это все нужно успеть сделать. Не знаю как кому, кто-то хочет выделиться модом, кто-то хочет красивую игрушку - для меня это творческий процесс, и не сколько важен конечный результат, (он правда тоже важен!) сколько творческий подход. Да и вообще занятие подобным развивает человека во всех отношениях, поэтому занимайтесь, не зацикливайтесь на достигнутом. Всем вам творческих успехов, хорошей фантазии, удачных конструкций и меньше ошибок. Хотя как говорят есть желание и прямые руки - остальное все мелочь.
P.S. Данная конструкция не претендует на какие-то авторские права, подобного в сети очень много. Но все же если хотите выложить у себя на страничке, уважьте старика - укажите мои данные и адрес странички. Буду благодарен.
Автор: Владимир Мутяченко, г. Днепропетровск