УМЗЧ ВВ с упрощённой системой управления.

В проекте "УМЗЧ ВВ с микроконтроллерной системой управления" была описана конструкция усилителя мощности с довольно сложной системой управления, которая имеет большое количество функций и развитую индикацию. Однако распространен и другой вариант дизайна усилителей – минималистский. Особенно по душе он любителям аппаратуры Hi-End. Это обычно далекие от техники люди, готовые поверить любым слухам. А слухи утверждают, что настоящий высококачественный усилитель не должен иметь никаких удобств, иначе из-за наличия дополнительной электроники звук будет хуже. Такие слухи не имеют под собой почвы, так как проблема электромагнитной совместимости отдельных узлов усилителя легко может быть решена. Но, тем не менее, минималистский вариант усилителя также имеет право на существование, и именно такой вариант описан в этой статье.

Вариант усилителя с упрощенной системой управления имеет на передней панели лишь сетевой выключатель и один двухцветный светодиод (рис. 1). Описываемый вариант усилителя назван NSM (National Sound Machines), модель PA-2020. Управление дежурным режимом  осуществляется с помощью проводного дистанционного управления, которое подключается к предварительному усилителю или другому компоненту комплекса, имеющему ИК-дистанционное управление. Такой способ управления дежурным режимом широко используется в фирменных аппаратах,  например в усилителе YAMAHA MX-1. Если проводное дистанционное управление не подключено, то усилитель просто включается и выключается сетевым выключателем и никогда не переходит в дежурный режим.

Рис. 1. Внешний вид усилителя.

Как и "УМЗЧ ВВ с микроконтроллерной системой управления", данный вариант усилителя построен на основе УМЗЧ ВВ Николая Сухова. Основные платы двух вариантов усилителя одинаковы, отличия заключаются только в системе управления. Система управления предельно упрощена, теперь она выполняет только функции защиты и контролирует процесс включения усилителя.

Индикация режимов работы усилителя производится одним двухцветным светодиодом (рис. 2). Когда усилитель находится в дежурном режиме, светодиод горит зеленым цветом. Когда приходит команда "ON" дистанционного управления, начинается процесс включения усилителя, в это время светодиод мигает зеленым цветом. Когда основное питание успешно включается, светодиод начинает гореть красным цветом. Если по какой-то причине срабатывает защита, светодиод начинает мигать мигает красным цветом. При этом реле нагрузки и основное питание усилителя отключается. Пока условия, вызвавшие перегрузку, сохраняются (например, температура превышает норму или триггер токовой защиты остается установленным из-за наличия напряжения на конденсаторах фильтра), светодиод продолжает мигать красным цветом. Когда аварийная ситуация исчезает (остывают радиаторы или разряжаются конденсаторы фильтра), светодиод начинает мигать оранжевым цветом. Это означает, что усилитель готов к повторному включению.

Рис. 2. Индикация режимов работы усилителя.

Система управления собрана на одной плате, на которой установлен микроконтроллер, дежурный источник питания (включая дежурный трансформатор) и реле включения основных трансформаторов (рис. 3). Несмотря на существенное упрощение, система управления реализует все виды защиты, которые были реализованы в предыдущем варианте усилителя.

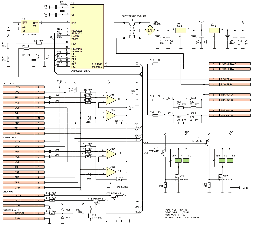
Рис. 3. Принципиальная схема платы управления усилителя.

Для контроля уровней напряжения питания усилителя используется встроенный в микроконтроллер компаратор. На вход компаратора AIN1 поступает опорное напряжение с делителя R1R2. Резистор R3, подключенный к порту P3.7, обеспечивает необходимое изменение опорного напряжения после включения усилителя. На вход AIN0 поступает напряжение с аналоговой схемы, собранной на компараторе U3 типа LM339. Компаратор использован несколько нетрадиционно - в линейном режиме. Эта схема выделяет наименьшее по модулю напряжение из четырех входных. На вход схемы подаются напряжения питания усилителя, всего  четыре уровня, так как левый и правый канал имеют раздельные источники питания. Два из этих уровней являются положительными, а два – отрицательными. Для положительных уровней собраны неинвертирующие усилители на U3B и U3D. Их коэффициент передачи равен приблизительно 0.1. Он определяется резисторами R6R7 (R10R11) и R55 (на основных платах). Для отрицательных уровней собраны инвертирующие усилители на U3A и U3C. Их коэффициент передачи соответственно равен -0.1  и определяется резисторами R8R9 (R12R13) и R56 (на основных платах). Выходы всех усилителей объединены. Это стало возможным в результате применения в качестве U3 не ОУ, а компаратора с открытыми коллекторными выходами. В результате такого объединения в линейном режиме будет работать только один из четырех усилителей, входное напряжение которого по модулю меньше. Именно это напряжение, умноженное на коэффициент передачи, и будет присутствовать на выходе. Резистор R25 является нагрузочным, емкость C12 необходима для обеспечения устойчивости усилителей. Диоды VD1-VD4 предотвращают попадание на входы усилителей напряжения обратной полярности, а диоды VD10VD11 ограничивают отрицательное напряжение на входах компараторов во избежание его выхода из допустимого диапазона синфазного входного напряжения.

Включение основных трансформаторов питания осуществляется с помощью реле K1 - K4. Раздельные реле для трансформаторов правого и левого каналов применены по той причине, что реле с одной группой контактов менее дефицитны. При включении усилителя вначале микроконтроллер включает реле K1 и K2, которые подключают основные трансформаторы через резисторы R21 – R24. После этого конденсаторы фильтра основных источников питания начинают заряжаться. В это время осуществляется контроль за всеми напряжениями питания, и как только все они по модулю превысят уровень примерно 30 В, срабатывает встроенный компаратор, указывая микроконтроллеру на завершение этапа зарядки конденсаторов. Если компаратор не срабатывает в течение отведенного времени, то срабатывает защита, и основные трансформаторы отключаются. Если зарядка конденсаторов прошла успешно, то спустя некоторую защитную паузу микроконтроллер включает реле K3 и K4, которые своими контактами закорачивают ограничительные резисторы. При этом схема слежения за напряжениями питания продолжает работать, но порог снижается примерно до 17 В. Это позволяет напряжению довольно сильно «просаживаться» под нагрузкой, однако при полном пропадании одного из напряжений питания защита сработает.

После полного включения основных трансформаторов проверяется состояние сигналов готовности систем аппаратной защиты (сигналы OKL и OKR), и если они в норме, формируется сигнал ENB, разрешающий включение реле нагрузки.

В случае срабатывания аппаратной защиты на одной из основных плат, схемой защиты снимается сигнал OKL или OKR. Это обнаруживается микроконтроллером, который отключает основные трансформаторы и включает индикацию аварии. В данной версии системы управления конкретная причина срабатывания защиты микроконтроллером не устанавливается. Это позволило обойтись только сигналами OKL, OKR и ENB. Все сигналы с основных плат поступают через разъемы XP1 и XP2 типа IDC-10.

При срабатывании любого вида защиты светодиод начинает мигать красным цветом. Если условия, которые вызвали перегрузку, исчезают, светодиод начинает мигать оранжевым цветом (красный + зеленый). Это сигнализирует о том, что усилитель готов к повторному включению. Для реализации такой индикации дополнительно анализируется сигнал срабатывания защиты по току IOF. Сигнал DCF не используется. Управление двухцветным светодиодом осуществляется с помощью ключей VT2 и VT3, в качестве которых используются цифровые транзисторы типа DTA144E. С помощью резисторов R14 и R15 устанавливают требуемый ток светодиодов и, соответственно, яркость свечения.

Обмотки реле коммутируют полевые транзисторы VT5 и VT7, которые имеют очень малое сопротивление в открытом состоянии и, как следствие, способны коммутировать относительно большие токи (до 1.4 А). Полевыми транзисторами управляют цифровые транзисторы VT4 и VT6. Они понадобились по той причине, что у микроконтроллера во время действия сигнала "RESET" выходы находятся в состоянии высокого логического уровня, а в это время реле должны быть выключены. Конечно, ключи для управления реле можно собрать и на обычных биполярных транзисторах.

Для контроля температуры радиаторов использованы термометры DS1821 фирмы Dallas, которые запрограммированы в режим термостата. При достижении температурой порога  в 70 °C выход термометра переключается в состояние низкого логического уровня, что вызывает срабатывание защиты. Обратное переключение происходит при остывании радиаторов до 55 °C. Нужно отметить, что температурные пороги можно установить другими при программировании термостатов. Программирование можно осуществить с помощью адаптера и программы, описанной в http://www.rtcs.ru/dallas_ds1821.htm. Можно вообще обойтись без температурной защиты, в этом случае термометры можно просто не подключать.

Сигнал дистанционного управления поступает с разъема XP4 на защитную цепочку R16VD5VD6, далее на эмиттерный повторитель на транзисторе VT1. Включается усилитель сигналом логической единицы в формате TTL на входе REMOTE. Необходимо отметить, что сигнал дистанционного управления не случайно поступает на вход прерывания микроконтроллера INT0. Это позволяет при необходимости реализовать ИК дистанционное управление непосредственно усилителем мощности. Для этого достаточно на вход REMOTE подключить интегральный фотоприемник, а в программу добавить текст декодера. В текущей версии программы декодер отсутствует.

Для обеспечения высокой надежности работы применен супервизор U2 типа ADM1232 фирмы Analog Devices. Для сброса встроенного сторожевого таймера используется периодический сигнал ST, который формируется программно на порту микроконтроллера P3.0. Сигнал формируется только в том случае, если функционирует как основная программа, так и внутреннее прерывание таймера.

Дежурный источник питания обеспечивает два уровня: +5 В и +12 В. Уровень +5 В используется для питания микроконтроллера и вспомогательных микросхем. Уровень +12 В служит для питания реле и схем аппаратной защиты, которые собраны на основных платах. Основой дежурного источника является трансформатор T1, который вместе с выпрямителем VD9 и конденсаторами фильтра C5, C6 обеспечивает на входе стабилизатора U4 постоянное напряжение около 16 В. На выходе стабилизатора U4 получается напряжение +12 В, а на выходе стабилизатора U5 – напряжение +5 В. Микросхемы стабилизаторов для лучшего охлаждения установлены на задней стенке усилителя.

Остановимся на некоторых незначительных отличиях в основных платах двух вариантов усилителя. В данном варианте усилителя на плате устанавливается разъем IDC-10 вместо IDC-16, контакты 11-16 не используются. В связи с этим на платах можно не устанавливать следующие элементы: VT23, R68, R47-R54. Номиналы резисторов R55 R56 нужно уменьшить до 82К. Эти номиналы зависят от напряжения питания усилителя, поэтому в некоторых случаях их придется подобрать таким образом, чтобы нормальное включение усилителя обеспечивалось даже при пониженном до 187 В сетевом напряжении. Попытка включения усилителя при более низком напряжении сети должна приводить к срабатыванию защиты. Как уже отмечалось выше, ещё одно отличие состоит в том, что вместо термометров DS1820 применены термометры DS1821, запрограммированные в режим термостата.

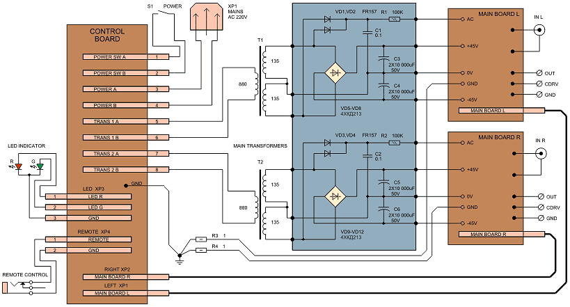
Общая схема соединений усилителя показана на рис. 4. В отличие от предыдущей версии усилителя, вся система управления теперь собрана на одной плате (Сontrol Board), к которой через разъемы XP1 и XP2 с помощью плоского кабеля подключены основные платы (Main Board L и Main Board R). К винтовым зажимам 1 и 2 платы управления подключен сетевой выключатель, который установлен на передней панели. Этот выключатель может быть рассчитан на небольшой ток, так как он коммутирует только первичную обмотку дежурного трансформатора. К зажимам 3 и 4 подключен сетевой разъем, который находится на задней панели. Зажимы 5 – 8 предназначены для подключения первичных обмоток основных трансформаторов. Через разъем XP3 подключен двухцветный светодиод, который смонтирован на небольшой платке на передней панели. Разъем XP4 служит для подключения 3.5-миллиметрового гнезда дистанционного управления, которое размещено на задней панели.

Рис. 4. Общая схема соединений усилителя.

Компоновка данного варианта усилителя почти не отличается от компоновки предыдущего варианта. Отличия сводятся к упрощению конструкции для повышения технологичности и уменьшения стоимости. В частности, практически полное отсутствие органов управления и индикации позволило существенно упростить конструкцию передней панели. Размеры корпуса уменьшены до 280x135x305мм. На рис. 5 - 7 показан сборочный чертеж усилителя. Позиционные обозначения узлов на всех рисунках совпадают. Шаг сетки - 10мм.

Рис. 5. Сборочный чертеж усилителя (вид сверху).

Рис. 6. Сборочный чертеж усилителя (вид сбоку).

Рис. 7. Сборочный чертеж усилителя (вид спереди).

1 - радиаторы 16 - шпилька крепления трансформаторов
2 - основные платы 17 - ножки
3 - транзисторы на радиаторе 18 - нижние кронштейны радиаторов
4 - стойки крепления основной платы 19 - верхние кронштейны радиаторов
5 - входные разъемы 20 - кронштейн передней панели
6 - выходные клеммы 21 - несущая плита передней панели
7 - разъем дистанционного управления 22 - передняя панель
8 - сетевой разъем 23 - сетевой выключатель
9 - плата управления 24 - двухцветный светодиод
10 - интегральные стабилизаторы 25 - плата транзисторов
11 - кронштейн задней панели и платы управления 26 - конденсаторы фильтра
12 - точка заземления шасси 27 - стойка платы конденсаторов фильтра
13 - блок выпрямителей 28 - верхняя крышка
14 - плата конденсаторов фильтра 29 - шасси
15 - основные трансформаторы

Основой конструкции корпуса является шасси 29 толщиной 3мм из сплава Д16Т. На шасси с помощью стальных кронштейнов 18 закреплены радиаторы 1. Задняя панель разбита на три части. На средней части установлен сетевой разъем 8 и разъем дистанционного управления 7. На боковых частях панели, которые прикреплены к радиаторам, установлены входные разъемы 5 и выходные клеммы 6. Из-за недостаточной ширины задней панели выходные клеммы установлены друг над другом. Все три части задней панели скрепляются несущей плитой задней панели, которая закреплена на шасси с помощью кронштейна 11. На этом же кронштейне закреплена плата управления 9. На несущей плите задней панели установлены микросхемы интегральных стабилизаторов 10, плита служит для них теплоотводом.

Передняя панель также состоит из двух "слоев" - несущей плиты 21 и собственно передней панели 22. Материалом служит листовой дюралюминий толщиной 3мм. Для того, чтобы избежать винтов крепления на передней панели, на ее обратной стороне выфрезерованы цилиндрические углубления, в которые завальцованы винты M3 с потайной головкой. Эти винты скрепляют между собой панель и несущую плиту. Несущая плита, в свою очередь, закреплена на шасси с помощью кронштейна 20. Кронштейн 20, как и кронштейн задней панели 11, изготовлен из листовой стали толщиной 1.25мм. Выкройка сделана на станке лазерной резки с ЧПУ.

Сетевой выключатель 23 крепится своими защелками в окне передней панели 22. Светодиод 24 смонтирован на небольшой платке, которая с помощью резьбовой стойки закреплена на несущей плите 21. Поверхность передней панели покрыта самоклеющейся пленкой ORACAL черного цвета с матовой поверхностью. Надписи выполнены в виде небольших этикеток, изготовленных по технологии GERBER-EDGE.

Основные платы 2 закреплены на радиаторах с помощью резьбовых стоек 4 высотой 15мм. Транзисторы 3 составного эмиттерного повторителя смонтированы на радиаторе. Все соединения транзисторов выполнены на дополнительных платах 25, которые закреплены на радиаторах.

Основные трансформаторы 15 закреплены на шасси с помощью шпильки 16 и накладок, которые имеют форму чашек. Основные трансформаторы, как и дежурный трансформатор, экранов не имеют.

Несколько изменена конструкция блока выпрямителей. Теперь диоды смонтированы на алюминиевой плите толщиной 4мм (рис. 8), которая прижата винтами к шасси. Таким образом, теплоотводом для диодов является все шасси. Монтаж выпрямителей выполнен так же, как и в предыдущей версии усилителя.

Рис. 8. Конструкция блока выпрямителей.

Над блоком выпрямителя на резьбовых стойках 27 закреплена плата 14, на которой смонтированы конденсаторы фильтра 26. Стойки 27 одновременно крепят плиту выпрямителя к шасси, хотя кроме стоек она прикреплена еще двумя дополнительными винтами.

Правильно собранная плата управления в настройке не нуждается. В отдельных случаях может понадобится лишь скорректировать порог компаратора, который следит за напряжениями питания. Сделать это можно заменой номиналов резисторов R55 и R56 на основных платах или заменой номиналов резисторов R1 – R3 на плате управления. Настройку основных плат усилителя производят точно так же, как и для предыдущего варианта усилителя.

Электрические параметры усилителя PA2020, как и усилителя, описанного в предыдущем проекте (PA9000), близки к параметрам УМЗЧ ВВ Николая Сухова [1].

Литература:

  1. Николай Сухов. УМЗЧ высокой верности. Радио, №6, 89, стр. 55 – 57,  №7, 89, стр. 57 – 61.

Download:

Автор проекта: Ридико Леонид Иванович
e-mail: wubblick@yahoo.com

Назад